Description
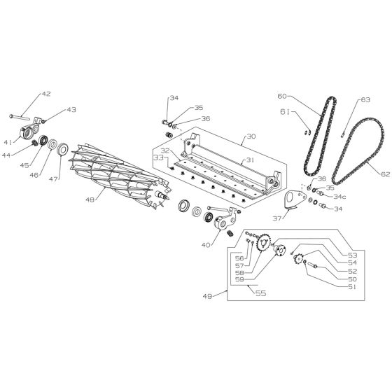
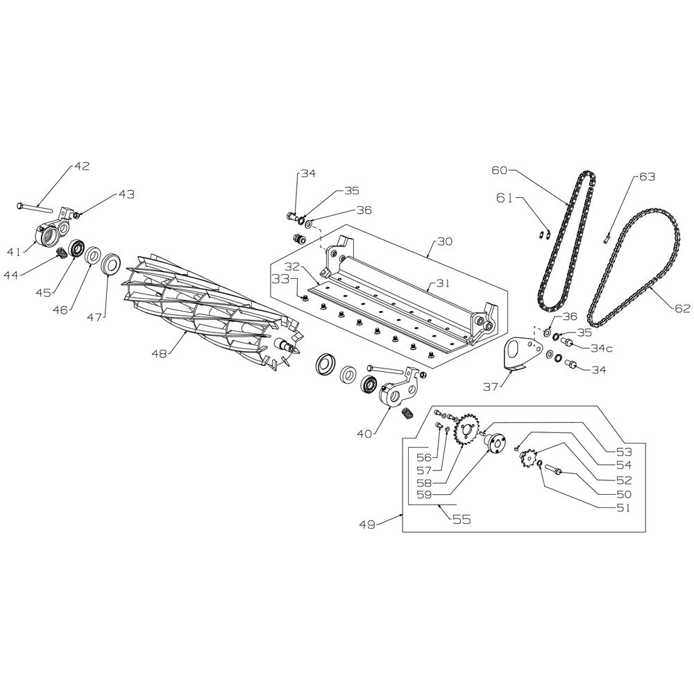
The Cutting Assembly for the Masport 500 20" Golf Mower ensures efficient grass cutting and maintenance. Designed for the 2016 Aug 019103 model, it includes essential components like blades, belts, and pulleys to maintain optimal performance. Regular replacement of these parts can enhance the mower's efficiency and longevity. Available in both genuine and non-genuine Masport options.
Reviews
Add a review
Write Your Own Review
Ask a Question
Customer Questions

