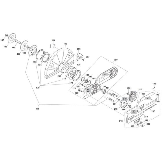
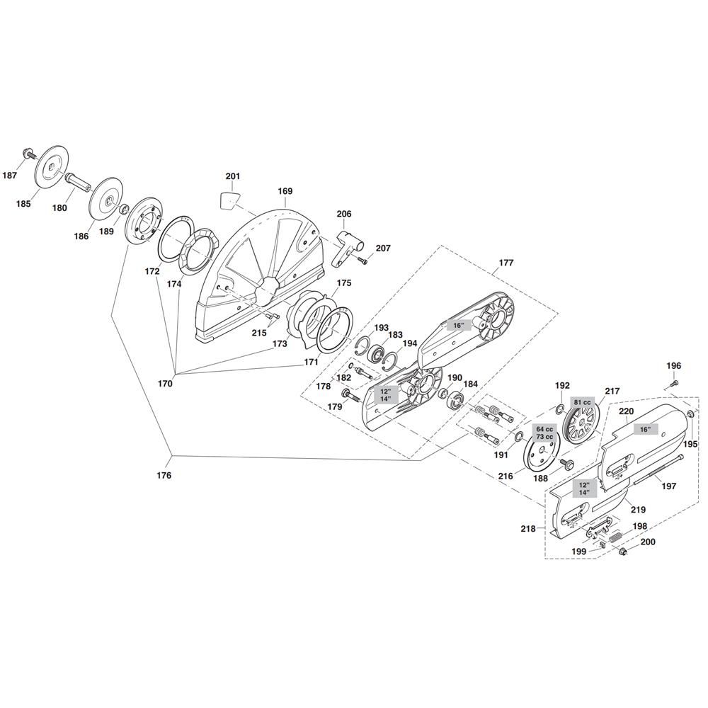
Description
The Protection Hood Assembly for the Makita DPC7331 Disc Cutter is designed to safeguard users and enhance cutting precision. This assembly includes essential components such as the protective hood, clamps, and fasteners, ensuring safety during operation. Ideal for maintaining the cutter's performance, it helps in reducing wear and tear by shielding against debris and sparks.
Reviews
Add a review
Write Your Own Review
Ask a Question
Customer Questions

