Description
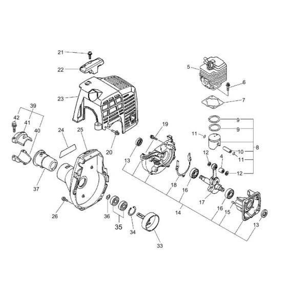
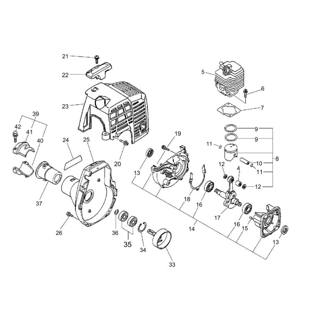
This assembly for the ECHO PAS-2400 Multi-Tool Power Unit includes the cylinder, crankcase, piston, and fan cover. These components are crucial for maintaining engine efficiency and performance. The cylinder and piston work together to compress air and fuel, while the crankcase houses the crankshaft. The fan cover protects the cooling system. Available in genuine and non-genuine options.
Reviews
Add a review
Write Your Own Review
Ask a Question
Customer Questions

