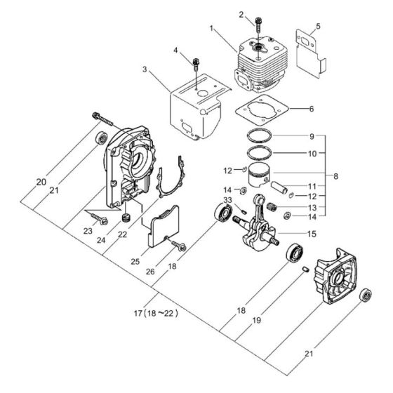
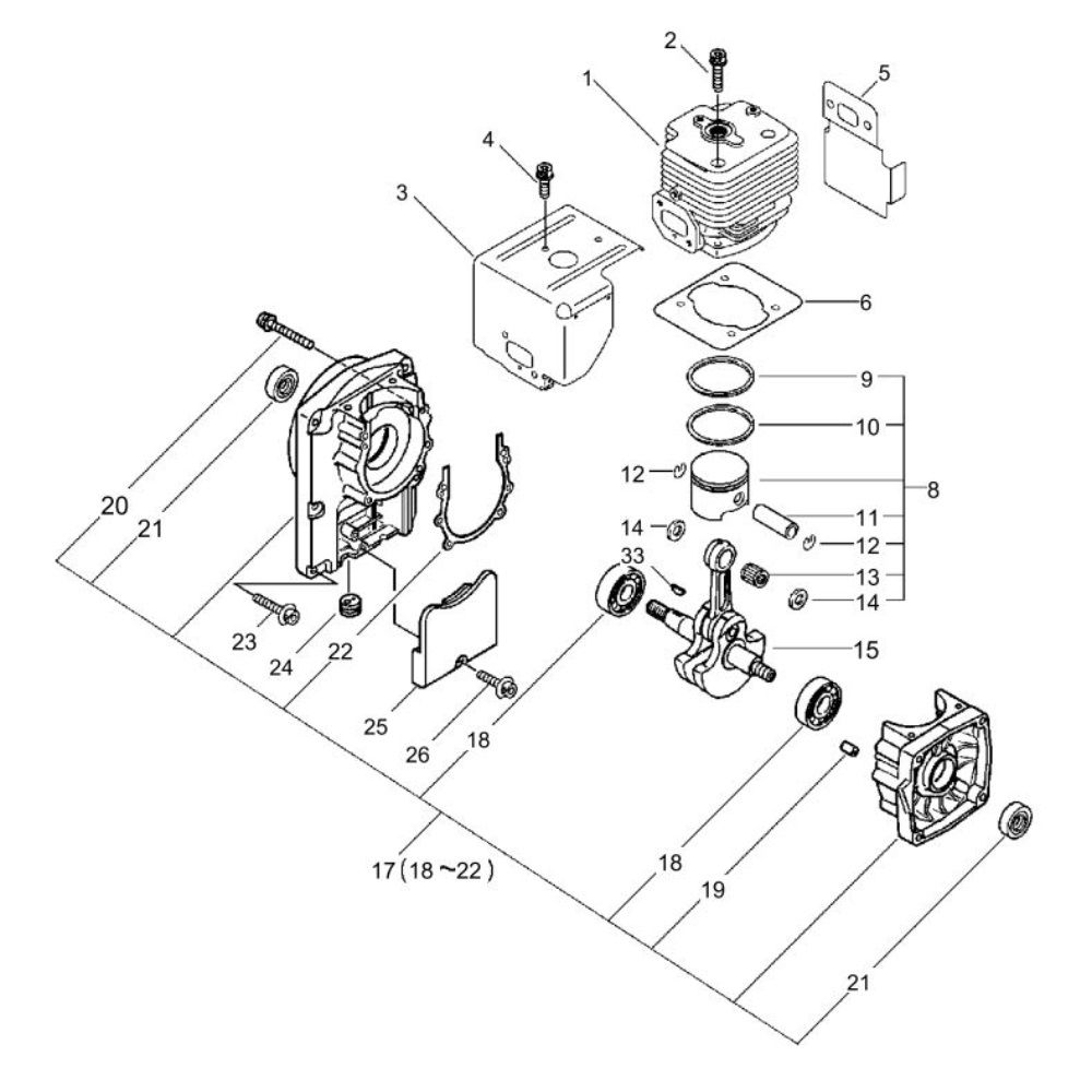
Description
The Cylinder, Crankcase, and Piston set for the ECHO PB-650 Backpack Blower is essential for maintaining optimal engine performance. These components work together to ensure efficient combustion and power delivery. Available in genuine and non-genuine options, they are crucial for routine maintenance and repair, helping to extend the blower's lifespan.
Reviews
Add a review
Write Your Own Review
Ask a Question
Customer Questions

