Description
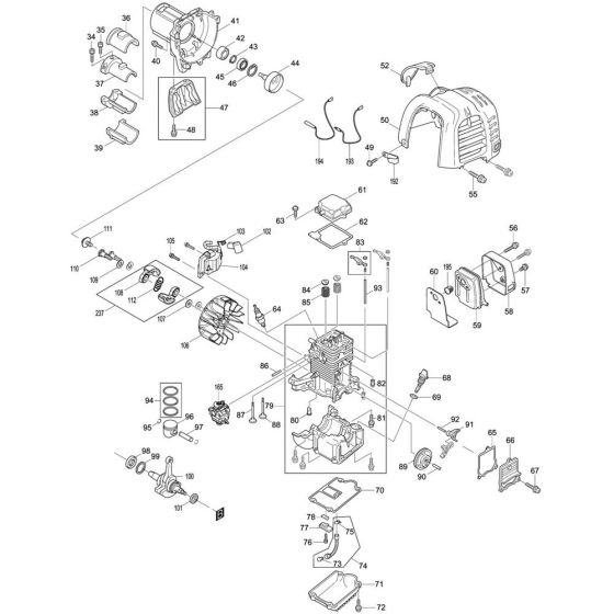
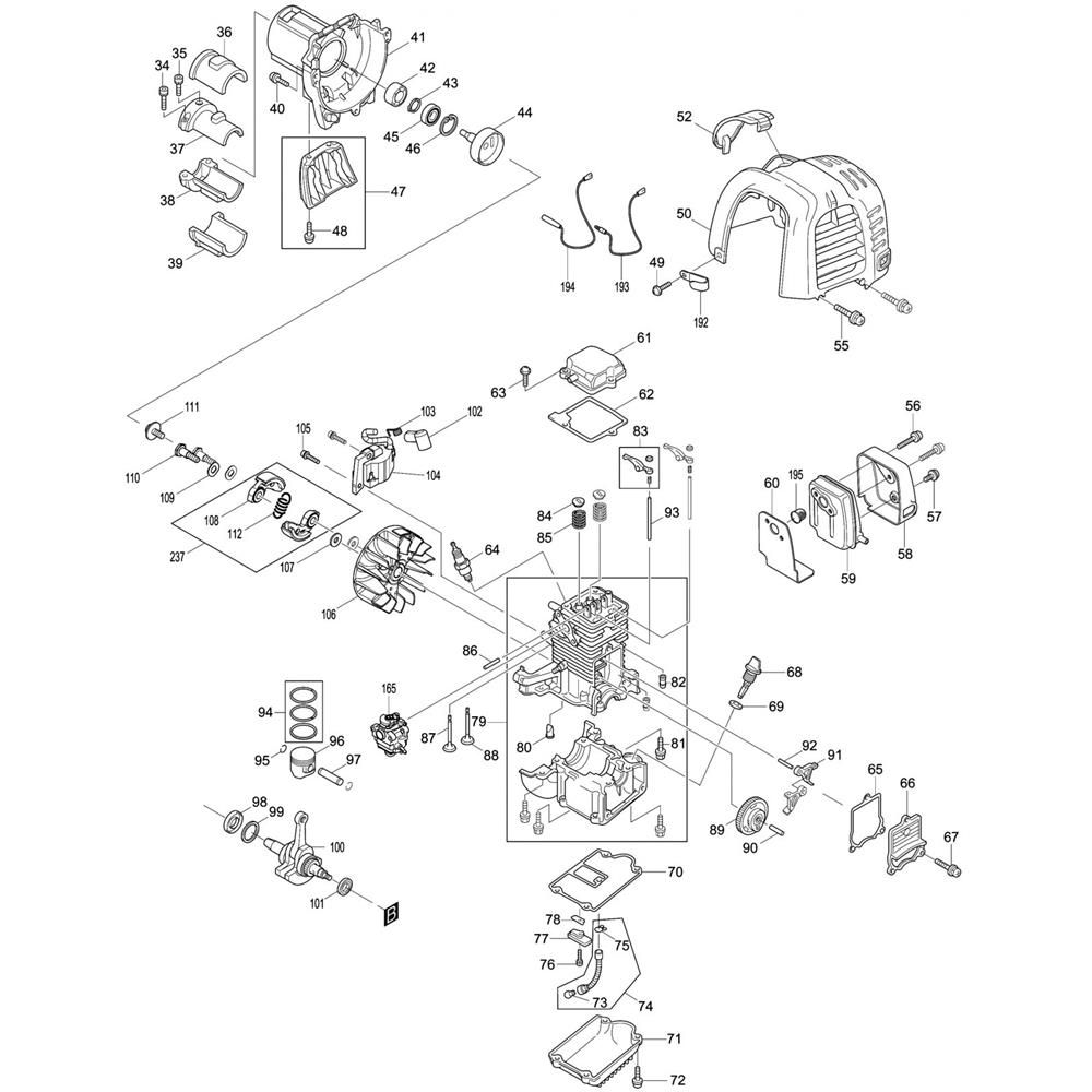
The Cylinder, Crankshaft, Muffler Assembly for the Makita EM2511LH Brushcutter includes key components essential for optimal engine performance. This assembly ensures efficient operation by facilitating exhaust flow and engine power transfer. Genuine Makita parts are designed to maintain the reliability and longevity of your brushcutter.
Reviews
Add a review
Write Your Own Review
Ask a Question
Customer Questions

