Description
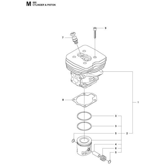
The Cylinder Piston Assembly for Husqvarna 555RXT Brushcutters is essential for maintaining engine efficiency and performance. This assembly includes components like pistons, rings, and gaskets, ensuring optimal compression and power output. Suitable for routine maintenance and repairs, it helps prolong the lifespan of your brushcutter. Available in genuine and non-genuine parts.
Reviews
Add a review
Write Your Own Review
Ask a Question
Customer Questions

