Description
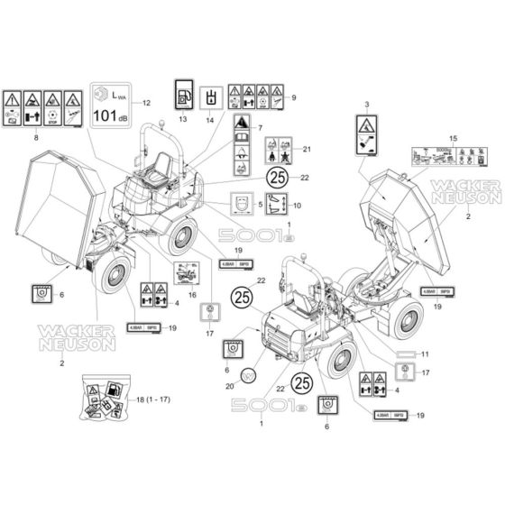
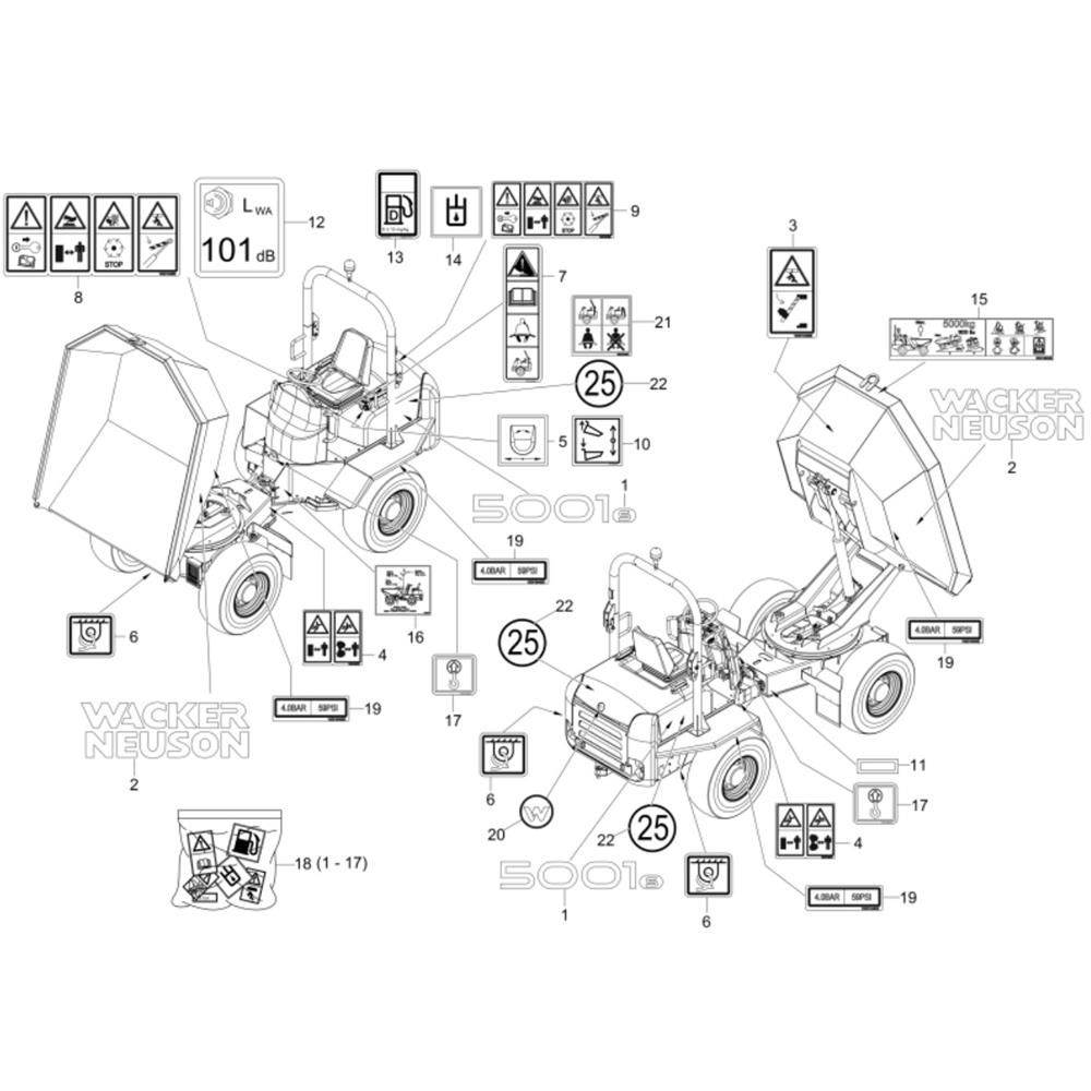
Decals for the Wacker 5001 Dumper are essential for maintaining the machine's appearance and ensuring safety information is clearly visible. These genuine Wacker Neuson parts are designed to fit perfectly and withstand the rigours of construction environments. Available in various designs to suit different models and configurations.
Reviews
Add a review
Write Your Own Review
Ask a Question
Customer Questions

