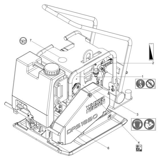
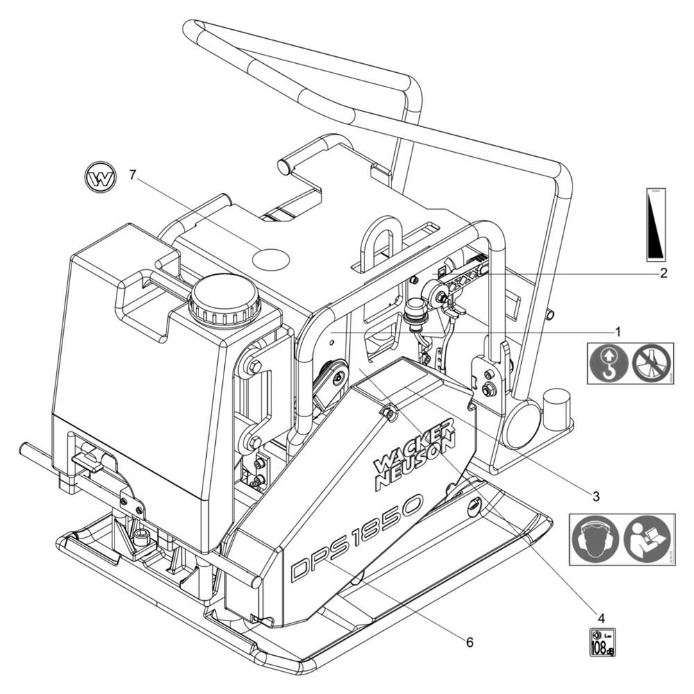
Description
Decals for the Wacker DPS1850H Plate Compactor are designed to replace worn or damaged labels, ensuring clear visibility and compliance with safety standards. These genuine Wacker Neuson decals help maintain the professional appearance and operational clarity of your equipment. Available in various designs to suit different parts of the compactor.
Reviews
Add a review
Write Your Own Review
Ask a Question
Customer Questions

