Description
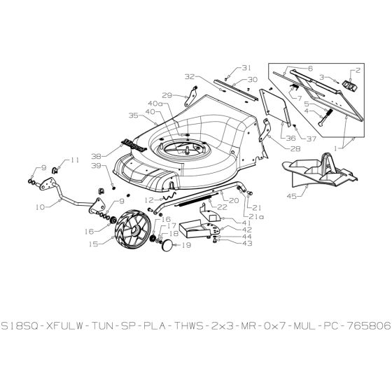
The Deck Assembly for the Masport 350ST SP 2009 Mar Mower includes essential components to ensure optimal cutting performance and durability. Designed to fit the Masport 350ST model, this assembly helps maintain the mower's efficiency and longevity. Available parts may include blades, belts, and pulleys, suitable for both genuine and non-genuine Masport options.
Reviews
Add a review
Write Your Own Review
Ask a Question
Customer Questions

