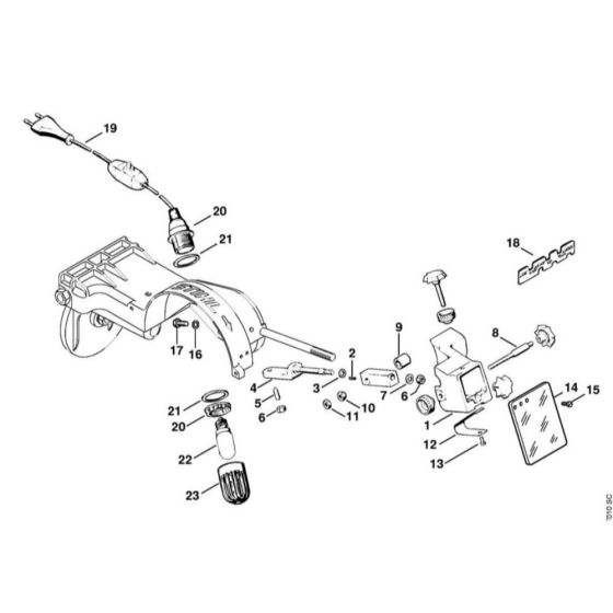
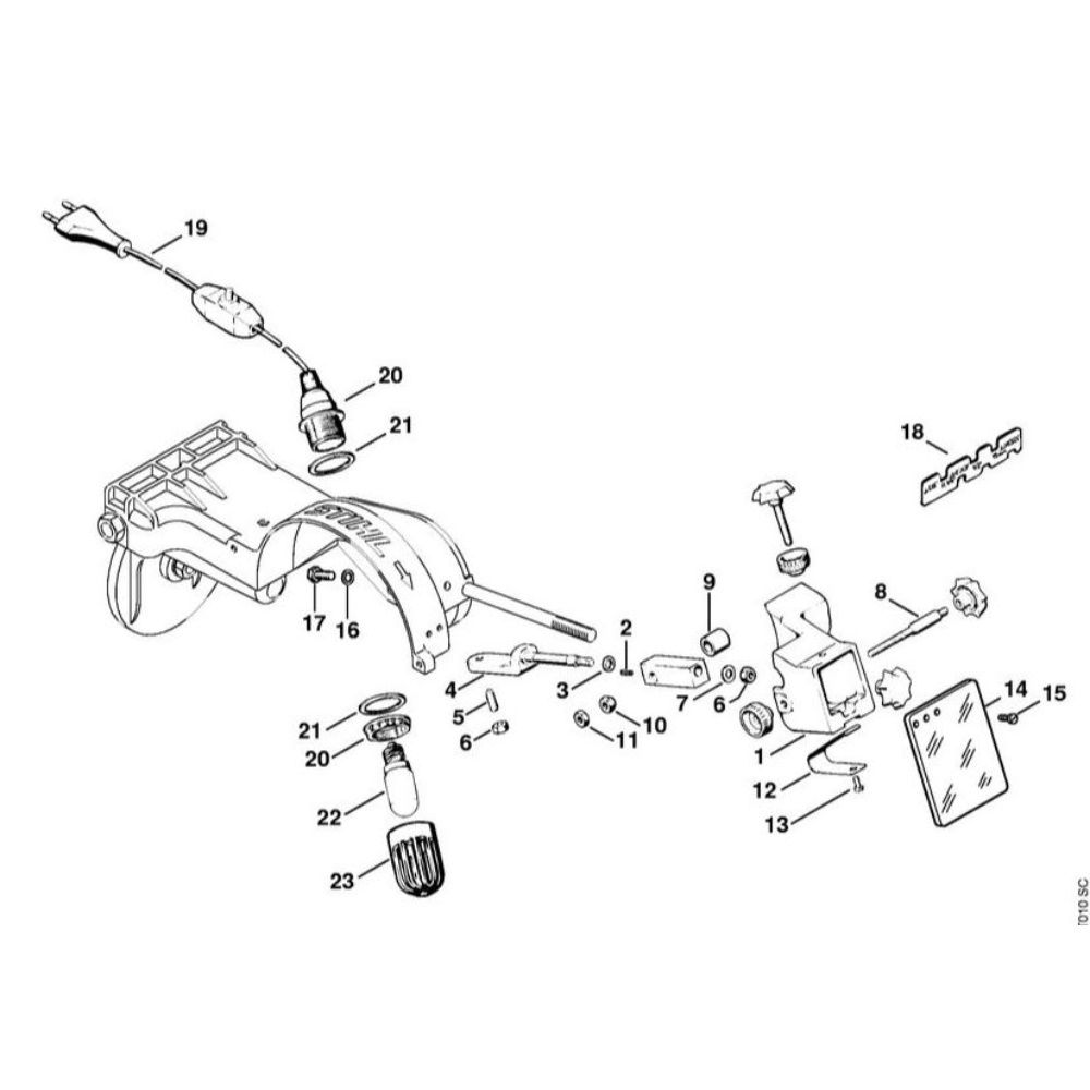
Description
Enhance your Stihl USG Chain Sharpener with genuine attachments, including a diamond dressing tool and work light. These components are designed to improve sharpening precision and visibility, ensuring optimal performance. The diamond dressing attachment maintains the grinding wheel's condition, while the work light provides clear illumination during use.
Reviews
Add a review
Write Your Own Review
Ask a Question
Customer Questions

