Description
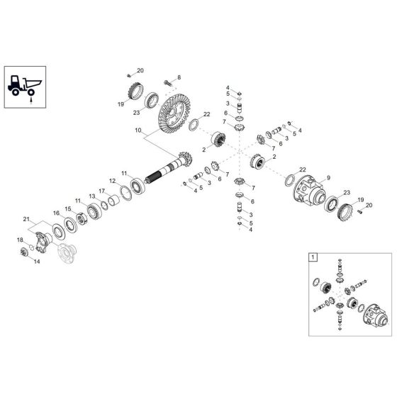
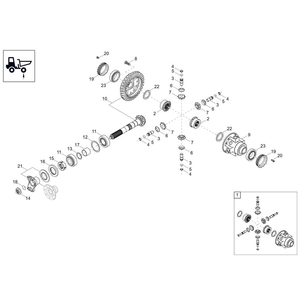
The Differential Axle Assembly for the Wacker DV125 Dumper is crucial for optimal performance and manoeuvrability. This assembly ensures efficient power distribution to the wheels, enhancing traction and stability on various terrains. Genuine Wacker Neuson parts are included, such as gears, bearings, and seals, designed to maintain the dumper's reliability and longevity.
Reviews
Add a review
Write Your Own Review
Ask a Question
Customer Questions

