Description
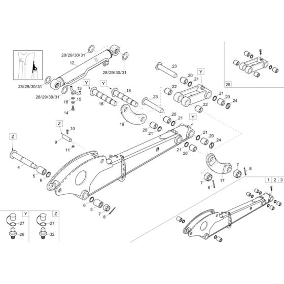
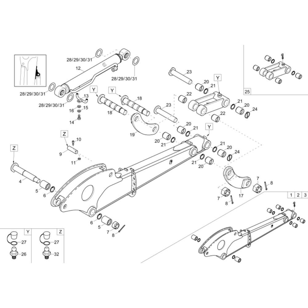
The Dipperstick Assembly for the Wacker 38Z3 Mini Excavator includes key components essential for the machine's digging and lifting operations. This assembly ensures optimal performance and durability, featuring parts such as pins, bushings, and hydraulic cylinders. Designed for precise control and reliability, it supports efficient excavation tasks.
Reviews
Add a review
Write Your Own Review
Ask a Question
Customer Questions

