Description
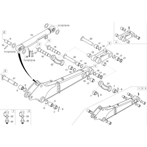
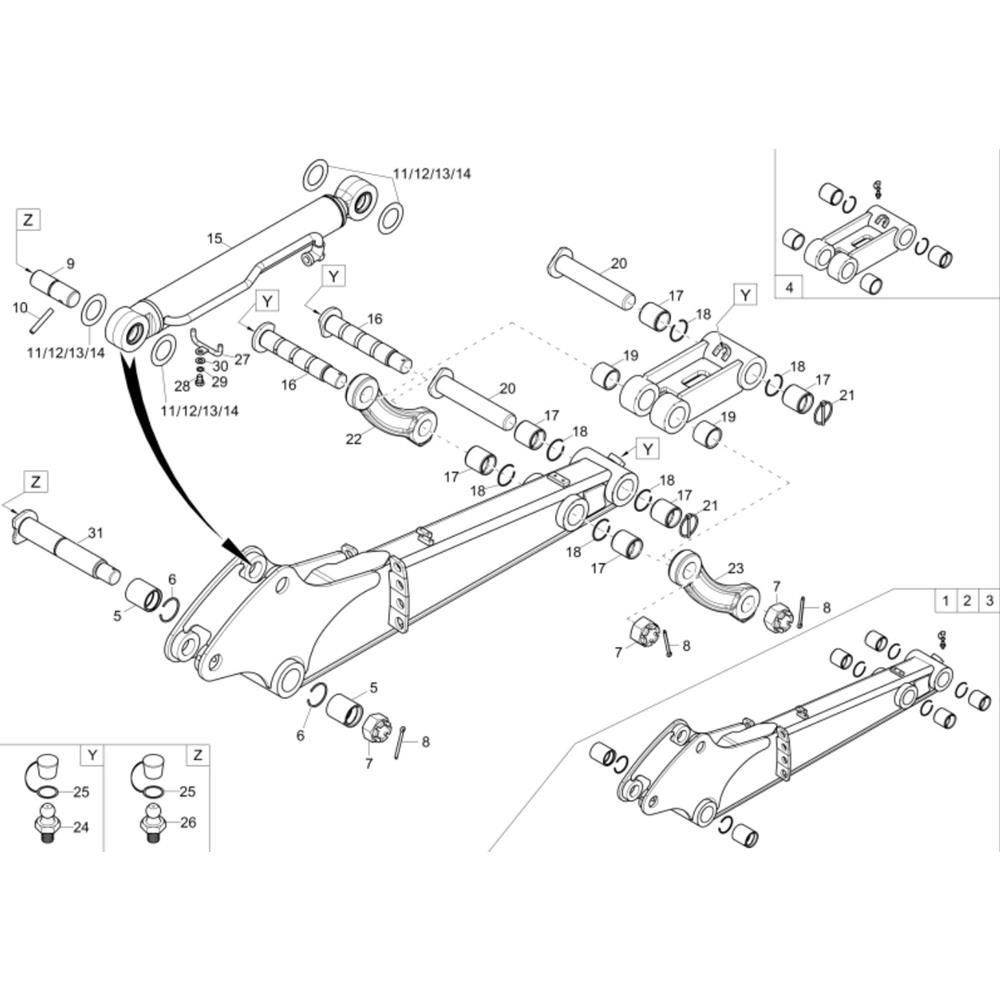
The Dipperstick Assembly for the Wacker 28Z3 Mini Excavator is essential for the machine's arm movement and digging capabilities. This assembly includes components like pins, bushings, and hydraulic cylinders, ensuring smooth operation and precise control. Designed to withstand rigorous use, it maintains the excavator's efficiency and reliability in various construction tasks.
Reviews
Add a review
Write Your Own Review
Ask a Question
Customer Questions

