Description
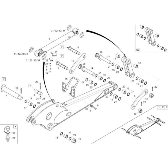
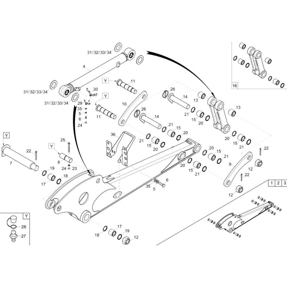
The Dipperstick Assembly for the Wacker 75Z3 Mini Excavator is crucial for the machine's digging and lifting operations. This assembly includes components such as hydraulic cylinders, pins, and bushings, ensuring smooth and efficient movement. Designed to withstand demanding conditions, it supports the excavator's arm in various tasks, enhancing performance and durability.
Reviews
Add a review
Write Your Own Review
Ask a Question
Customer Questions

