Description
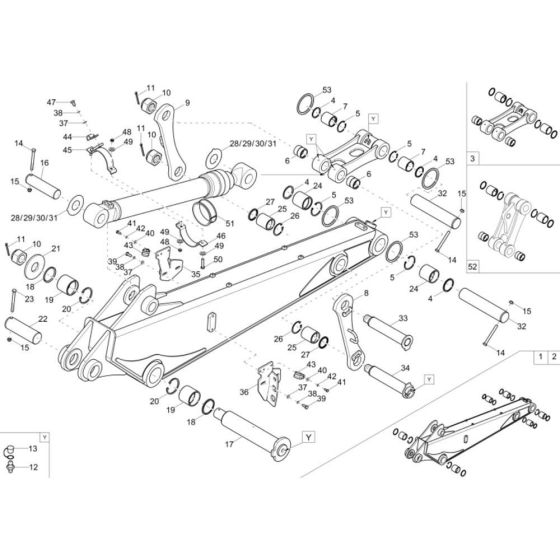
The Dipperstick Assembly for the Wacker ET145 Mini Excavator is crucial for efficient digging and material handling. This assembly includes components like pins, bushings, and hydraulic cylinders, ensuring smooth operation and durability. Designed to fit the Wacker Neuson ET145 model, it supports optimal performance and reliability in various excavation tasks.
Reviews
Add a review
Write Your Own Review
Ask a Question
Customer Questions

