Description
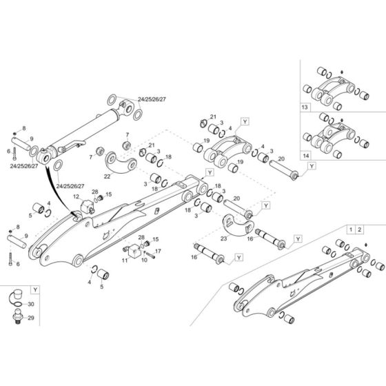
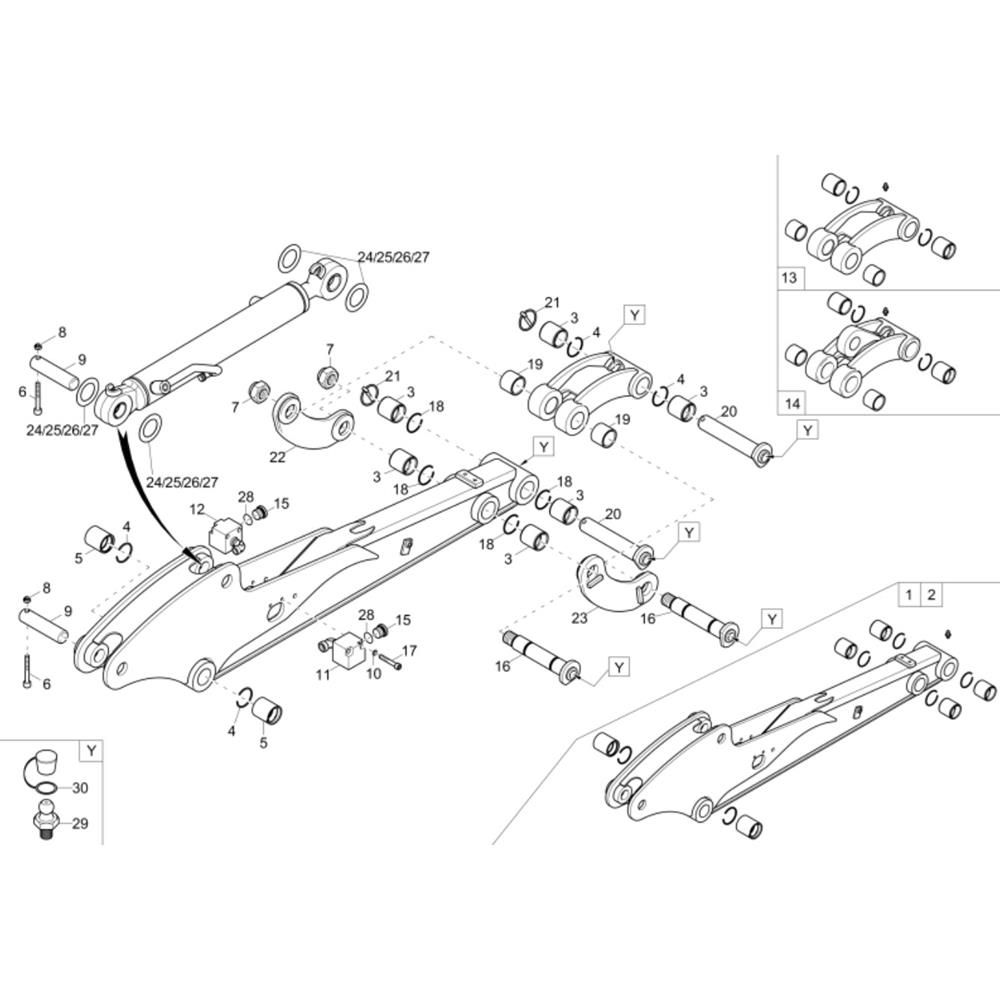
The Dipperstick Assembly for the Wacker ET18 Mini Excavator is crucial for the machine's digging and lifting capabilities. It connects the bucket to the boom, allowing precise control and movement. This assembly includes components such as pins, bushings, and hydraulic cylinders, ensuring smooth operation and durability. Genuine Wacker Neuson parts guarantee compatibility and performance.
Reviews
Add a review
Write Your Own Review
Ask a Question
Customer Questions

