Description
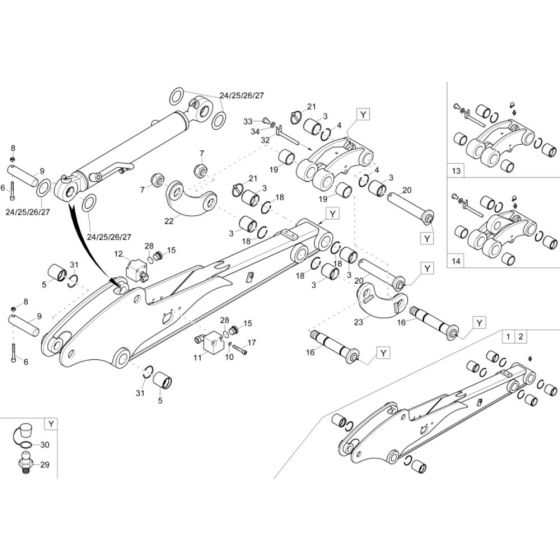
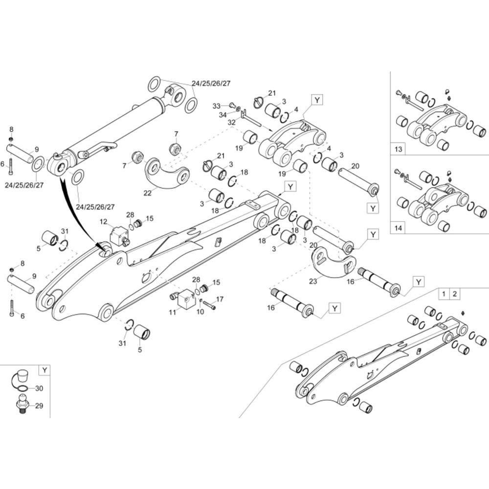
The Dipperstick Assembly for the Wacker ET24 Mini Excavator is crucial for the machine's digging and lifting functions. This assembly includes components such as pins, bushings, and hydraulic cylinders, ensuring smooth operation and durability. Designed to fit the Wacker Neuson ET24 model, it supports efficient excavation tasks and enhances the machine's performance.
Reviews
Add a review
Write Your Own Review
Ask a Question
Customer Questions

