Description
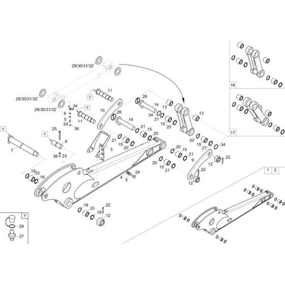
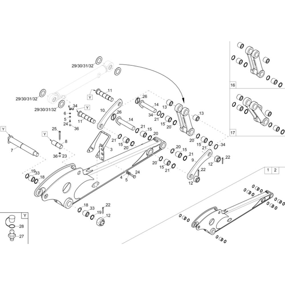
The Dipperstick Assembly for the Wacker EW100 Excavator is crucial for the machine's digging and lifting operations. This assembly includes components such as pins, bushings, and hydraulic cylinders, ensuring smooth and efficient movement. Designed for durability and compatibility, it helps maintain the excavator's performance and reliability in various construction tasks.
Reviews
Add a review
Write Your Own Review
Ask a Question
Customer Questions

