Description
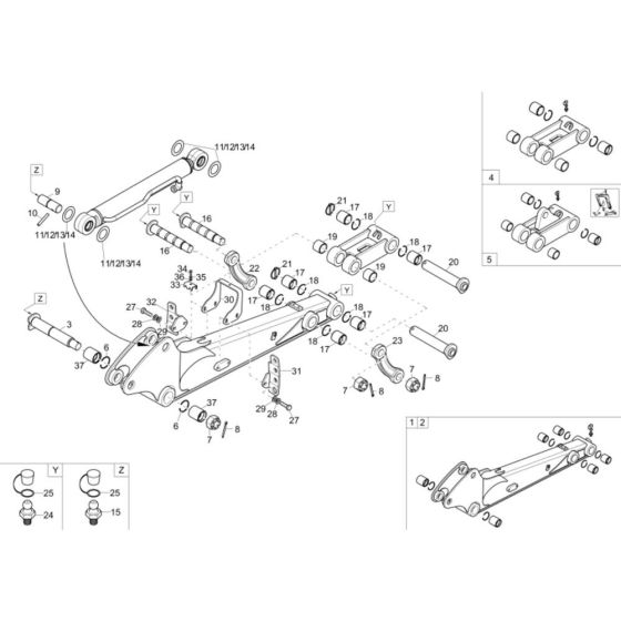
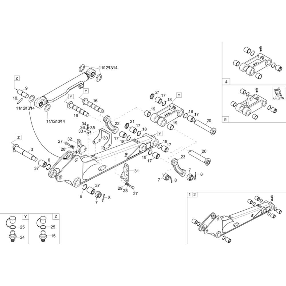
The Dipperstick Assembly for the Wacker EZ28 Mini Excavator is crucial for efficient digging and material handling. This assembly includes components such as pins, bushings, and hydraulic cylinders, ensuring smooth operation and durability. Designed for optimal performance, it helps maintain the excavator's functionality in various construction tasks.
Reviews
Add a review
Write Your Own Review
Ask a Question
Customer Questions

