Description
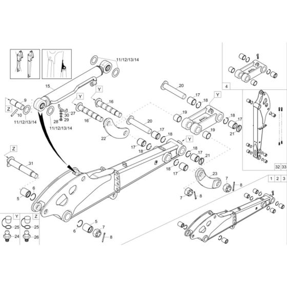
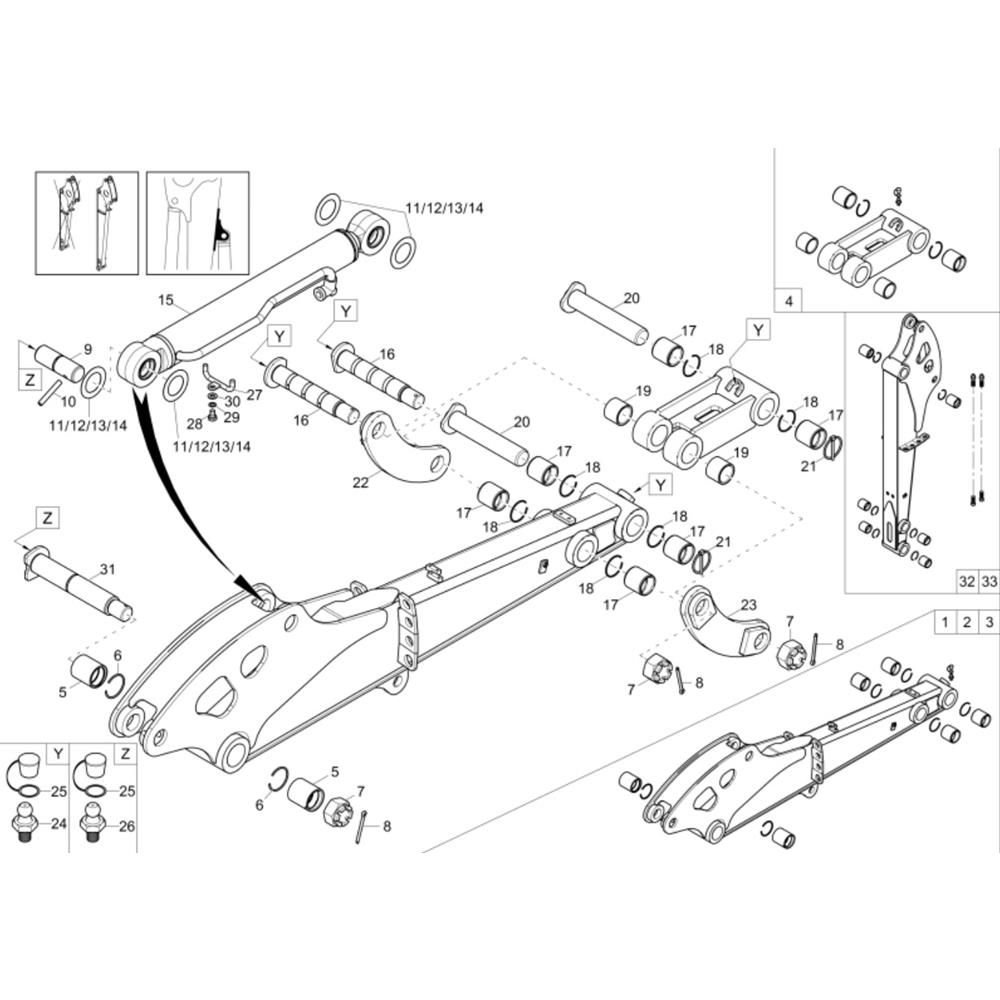
The Dipperstick (Long) Assembly for the Wacker 28Z3 Mini Excavator is designed to enhance the machine's digging capabilities. This assembly includes essential components that ensure optimal performance and durability. Genuine Wacker Neuson parts are used to maintain the integrity and reliability of the excavator, providing efficient operation in various construction tasks.
Reviews
Add a review
Write Your Own Review
Ask a Question
Customer Questions

