Description
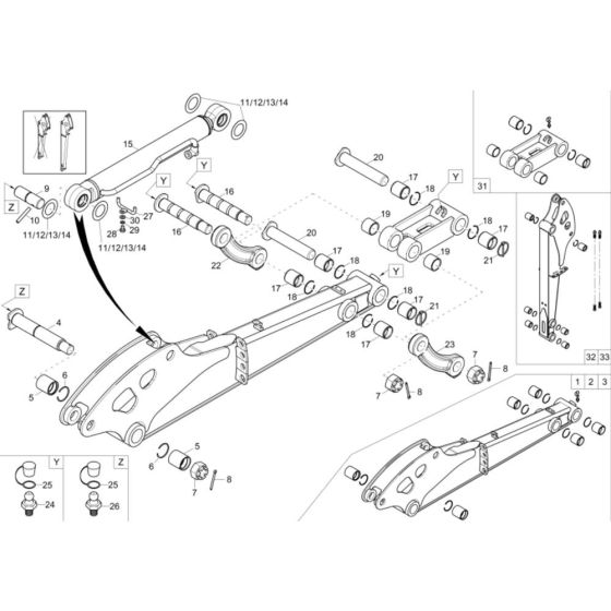
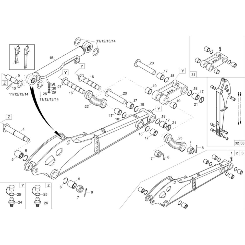
The Dipperstick (Long) Assembly for the Wacker 28Z3 Mini Excavator is designed to enhance the machine's digging capabilities. This assembly includes components such as pins, bushings, and hydraulic cylinders, ensuring efficient operation and durability. Genuine Wacker Neuson parts provide reliability and are essential for maintaining optimal performance in various excavation tasks.
Reviews
Add a review
Write Your Own Review
Ask a Question
Customer Questions

