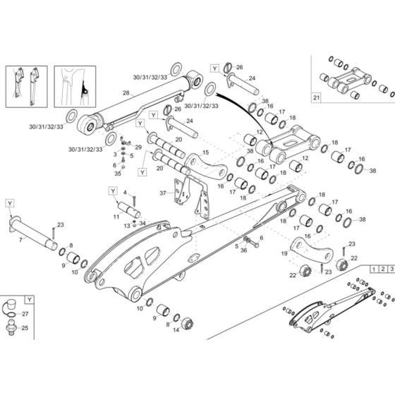
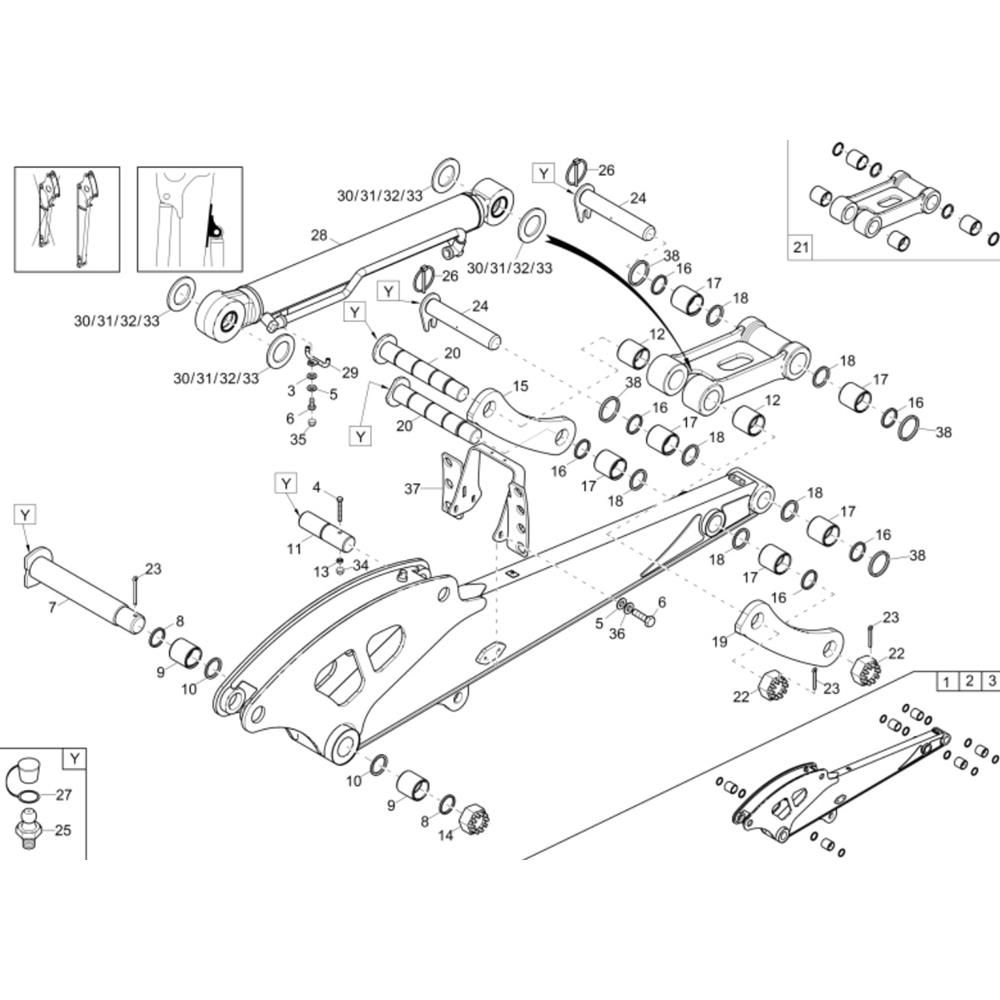
Description
The Dipperstick (Long) Assembly for the Wacker 6503 Excavator is designed to ensure optimal performance and durability. This assembly includes key components that facilitate the efficient operation of the excavator's arm, allowing for precise digging and material handling. Genuine Wacker Neuson parts ensure compatibility and reliability, maintaining the machine's integrity and extending its service life.
Reviews
Add a review
Write Your Own Review
Ask a Question
Customer Questions

