Description
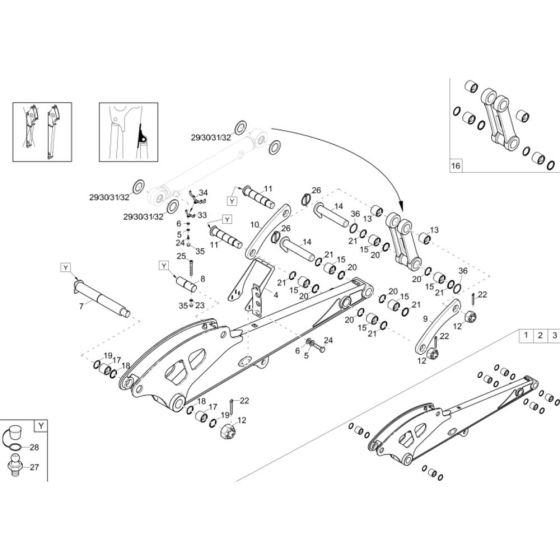
The Dipperstick (Long) Assembly for the Wacker 9503 Excavator is essential for efficient digging and material handling. This assembly includes key components such as hydraulic cylinders, pins, and bushings, ensuring smooth operation and durability. Designed for the Wacker Neuson Excavator, it enhances performance and reliability in demanding construction environments.
Reviews
Add a review
Write Your Own Review
Ask a Question
Customer Questions

