Description
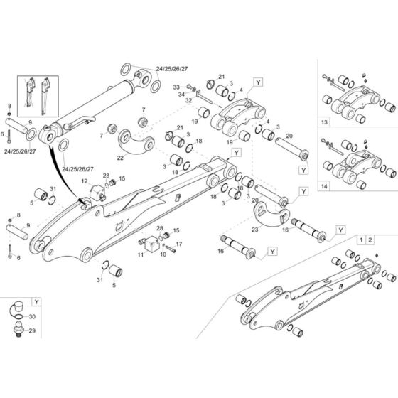
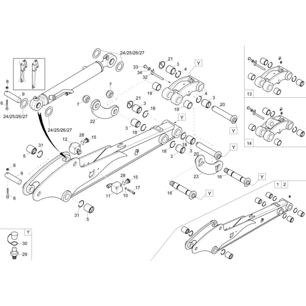
The Dipperstick (Long) Assembly for the Wacker ET24 Mini Excavator is essential for efficient digging and material handling. This assembly includes key components such as pins, bushings, and hydraulic cylinders, ensuring smooth operation and durability. Designed for the Wacker Neuson ET24, it supports various excavation tasks with precision and reliability.
Reviews
Add a review
Write Your Own Review
Ask a Question
Customer Questions

