Description
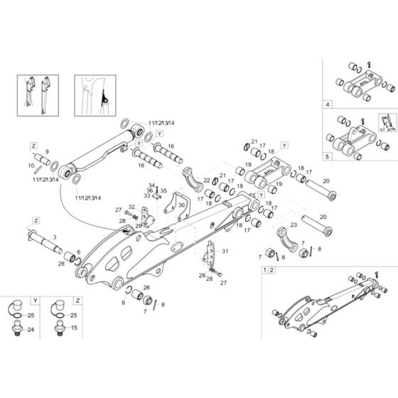
The Dipperstick (Long) Assembly for the Wacker EZ26 Mini Excavator is a crucial component for efficient digging and material handling. Designed to withstand rigorous use, it ensures optimal performance and longevity. This assembly includes essential parts such as pins, bushings, and hydraulic connections, providing reliable operation in various construction tasks.
Reviews
Add a review
Write Your Own Review
Ask a Question
Customer Questions

