Description
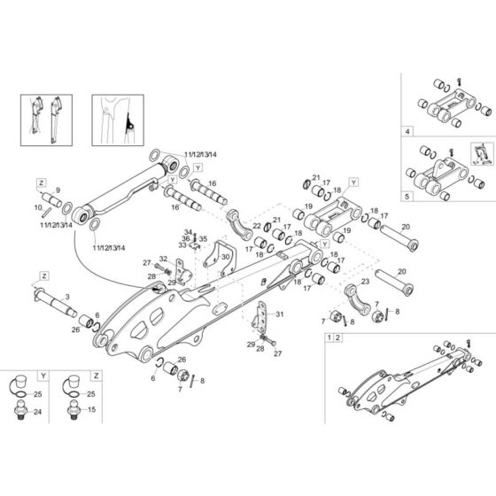
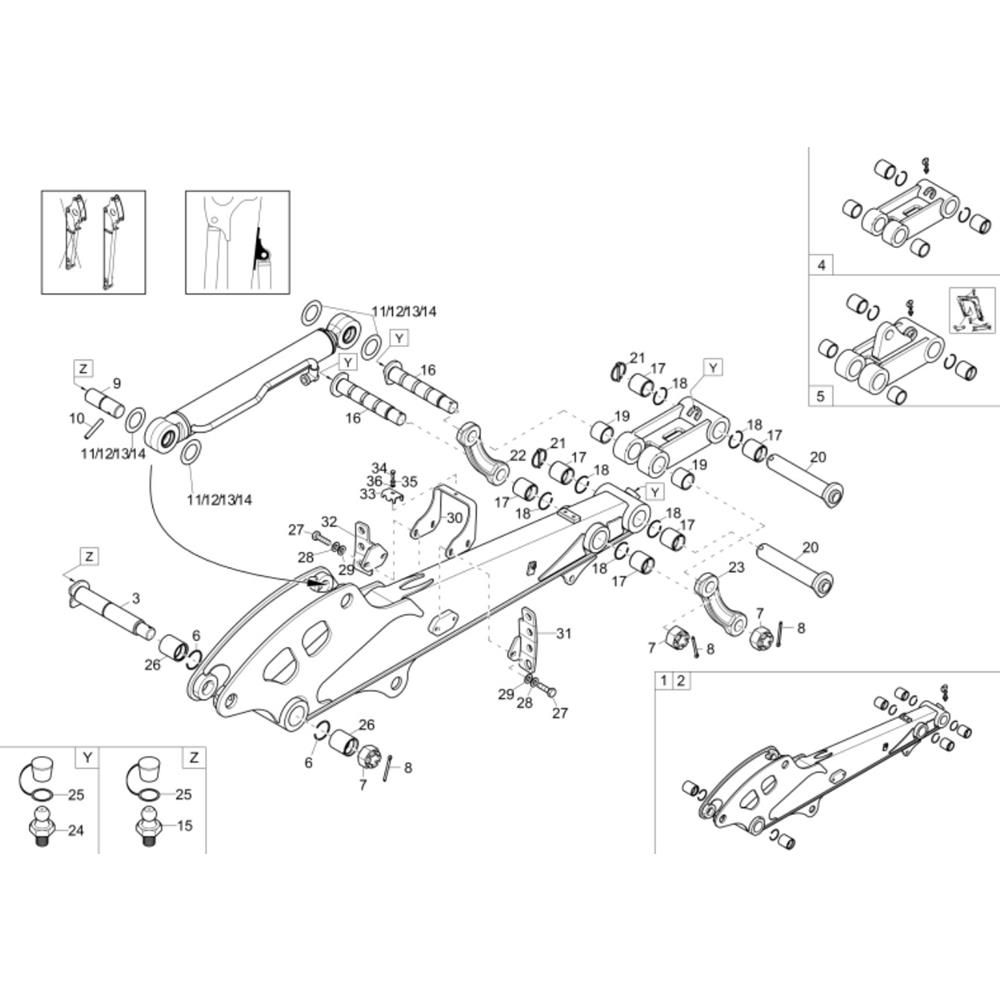
The Dipperstick (Long) Assembly for the Wacker EZ28 Mini Excavator is crucial for efficient digging and material handling. This assembly includes components like hydraulic cylinders, pins, and bushings, ensuring smooth operation and durability. Designed for the Wacker Neuson EZ28, it supports various excavation tasks with precision and reliability.
Reviews
Add a review
Write Your Own Review
Ask a Question
Customer Questions

