Description
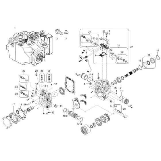
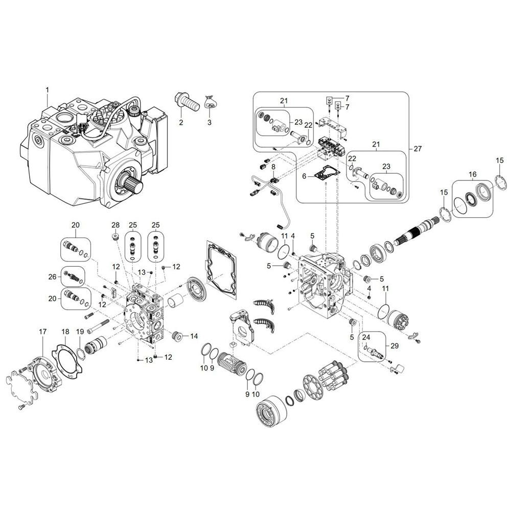
The Displacement Pump Assembly for the Wacker TH942 Telehandler is crucial for efficient hydraulic operations. It ensures optimal fluid movement within the system, supporting various telehandler functions. This assembly includes components such as seals, valves, and pistons, designed to maintain performance and reliability. Genuine Wacker Neuson parts guarantee compatibility and durability.
Reviews
Add a review
Write Your Own Review
Ask a Question
Customer Questions

