Description
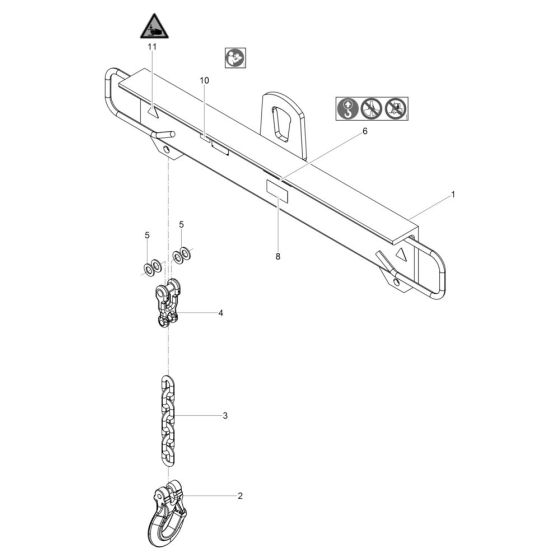
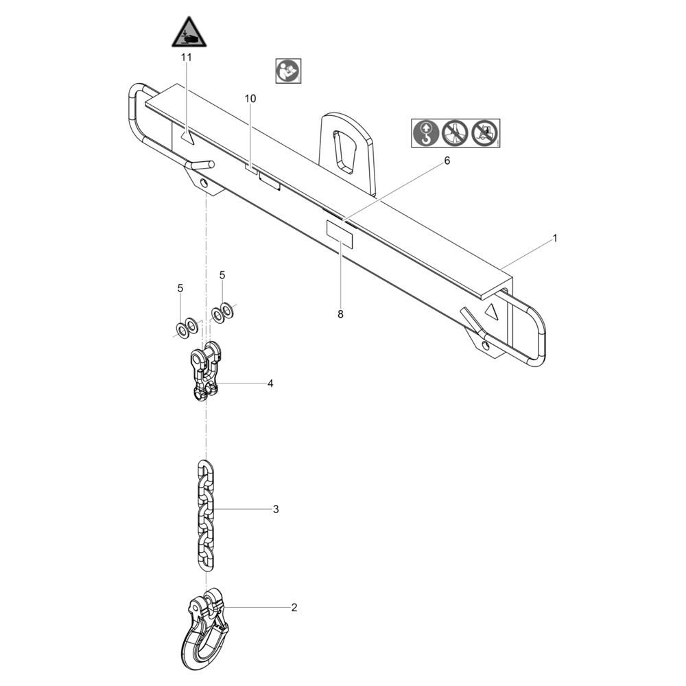
The Double Cross Beam Assembly is designed for the Wacker DPU100/70 Plate Compactor, ensuring optimal performance and durability. This assembly includes key components that support the machine's structure and functionality. Genuine Wacker Neuson parts are used to maintain the integrity and reliability of the compactor during operation.
Reviews
Add a review
Write Your Own Review
Ask a Question
Customer Questions

