Description
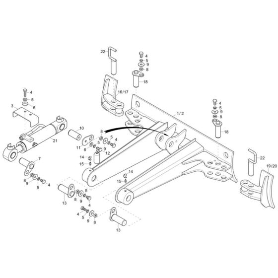
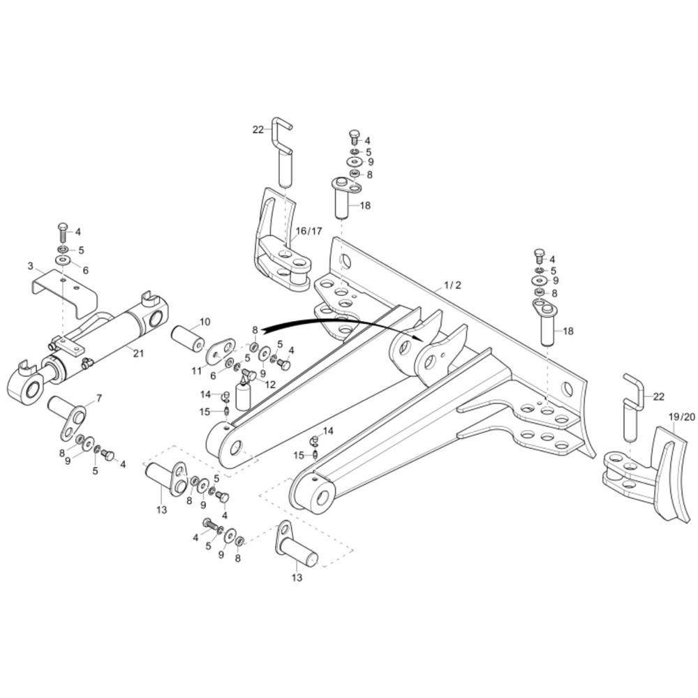
The Dozer Blade Assembly for the Wacker 803 Mini Excavator is designed to enhance the machine's versatility and efficiency. This assembly includes components such as blades, brackets, and mounting hardware, ensuring optimal performance in grading and earthmoving tasks. Genuine Wacker Neuson parts guarantee compatibility and durability, making it ideal for construction and landscaping projects.
Reviews
Add a review
Write Your Own Review
Ask a Question
Customer Questions

