Description
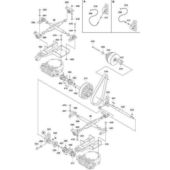
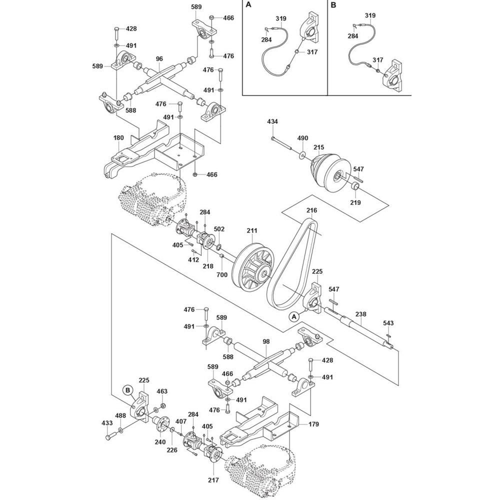
The Drive Assembly for the Husqvarna CRT 48 PS Petrol Trowel is crucial for efficient operation and longevity. It includes components such as belts, pulleys, and gears, ensuring smooth power transmission and optimal performance. Designed for reliability, this assembly helps maintain the trowel's functionality in demanding construction environments.
Reviews
Add a review
Write Your Own Review
Ask a Question
Customer Questions

