Description
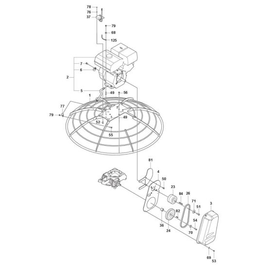
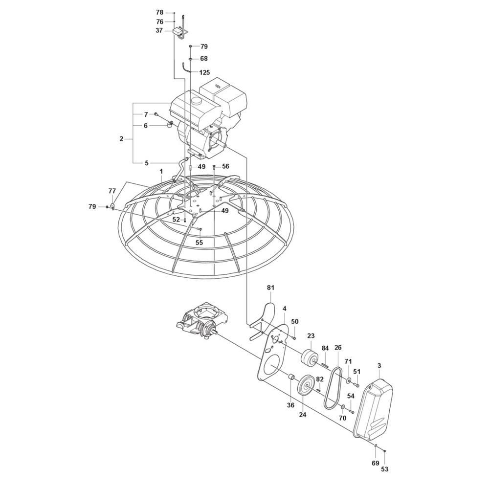
The Drive Assembly for the Husqvarna CT 36 Trowel is essential for maintaining optimal performance in concrete finishing tasks. This assembly includes key components such as belts, pulleys, and gears, ensuring smooth operation and efficient power transmission. Designed for the Husqvarna CT 36, these parts help extend the machine's service life and reliability.
Reviews
Add a review
Write Your Own Review
Ask a Question
Customer Questions

