Description
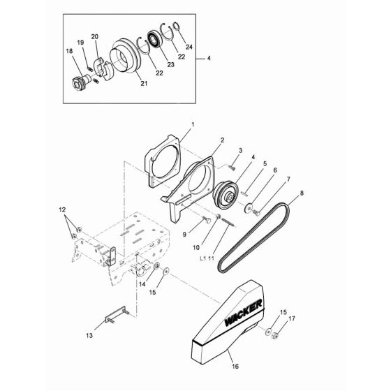
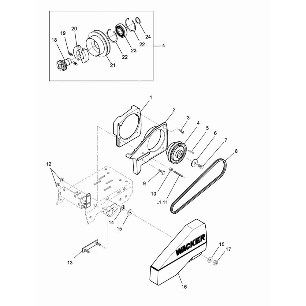
The Drive Assembly for the Wacker VPA1740 Compactor is designed to ensure optimal performance and longevity of your equipment. This assembly includes key components such as belts, pulleys, and bearings, which work together to transmit power efficiently. Regular maintenance of these parts is crucial for the smooth operation of the compactor, reducing downtime and extending its service life.
Reviews
Add a review
Write Your Own Review
Ask a Question
Customer Questions

