Description
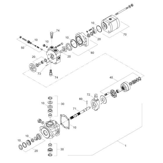
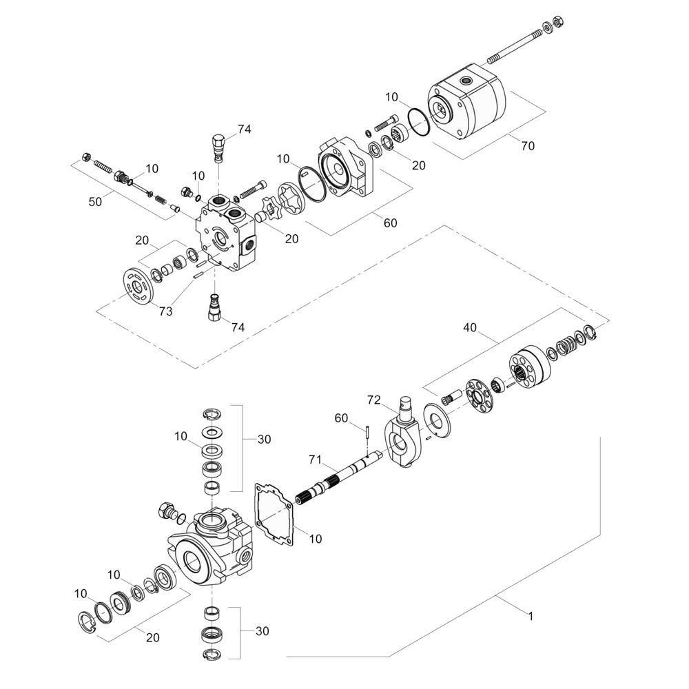
The Drive Pump Assembly for the Wacker RD7 Roller is crucial for efficient operation, ensuring smooth hydraulic power transfer. This assembly includes key components such as pumps, seals, and valves, designed to maintain optimal performance. Genuine Wacker Neuson parts ensure reliability and longevity, supporting the roller's functionality in various construction tasks.
Reviews
Add a review
Write Your Own Review
Ask a Question
Customer Questions

