Description
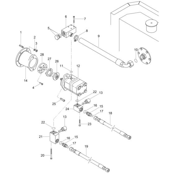
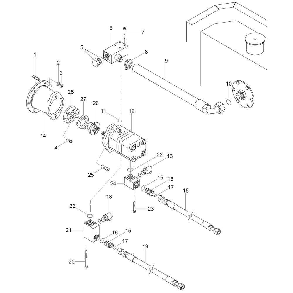
The Drive Pump Assembly for the Wacker RT560 Trench Roller is crucial for efficient operation, ensuring hydraulic power is effectively transmitted. This assembly includes components such as pumps, seals, and valves, designed to maintain optimal performance and reliability. Genuine Wacker Neuson parts ensure compatibility and durability, essential for demanding construction environments.
Reviews
Add a review
Write Your Own Review
Ask a Question
Customer Questions

