Description
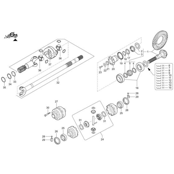
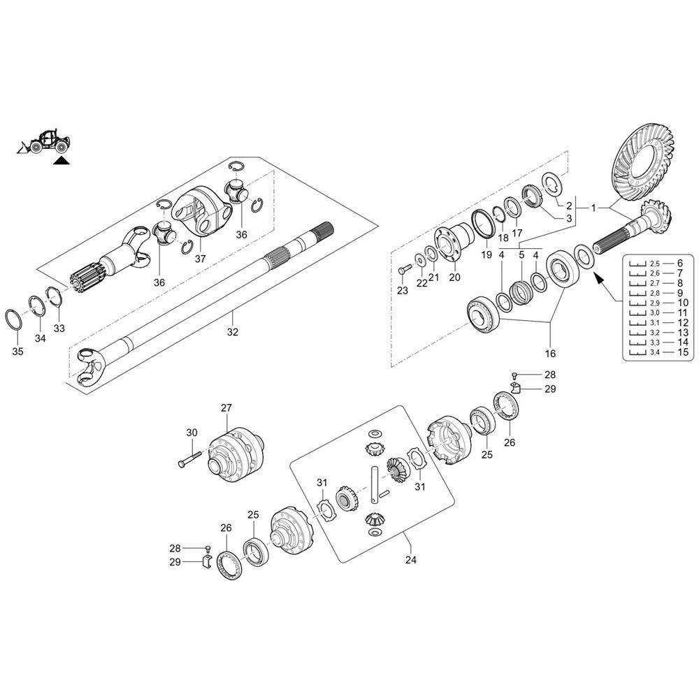
The Drive (Rear) Assembly for the Wacker TH627 Telehandler is crucial for optimal machine performance. It includes components like gears, axles, and bearings, ensuring efficient power transmission and manoeuvrability. Designed for durability and reliability, this assembly supports the telehandler's operational demands in various environments.
Reviews
Add a review
Write Your Own Review
Ask a Question
Customer Questions

