Description
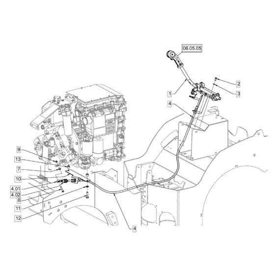
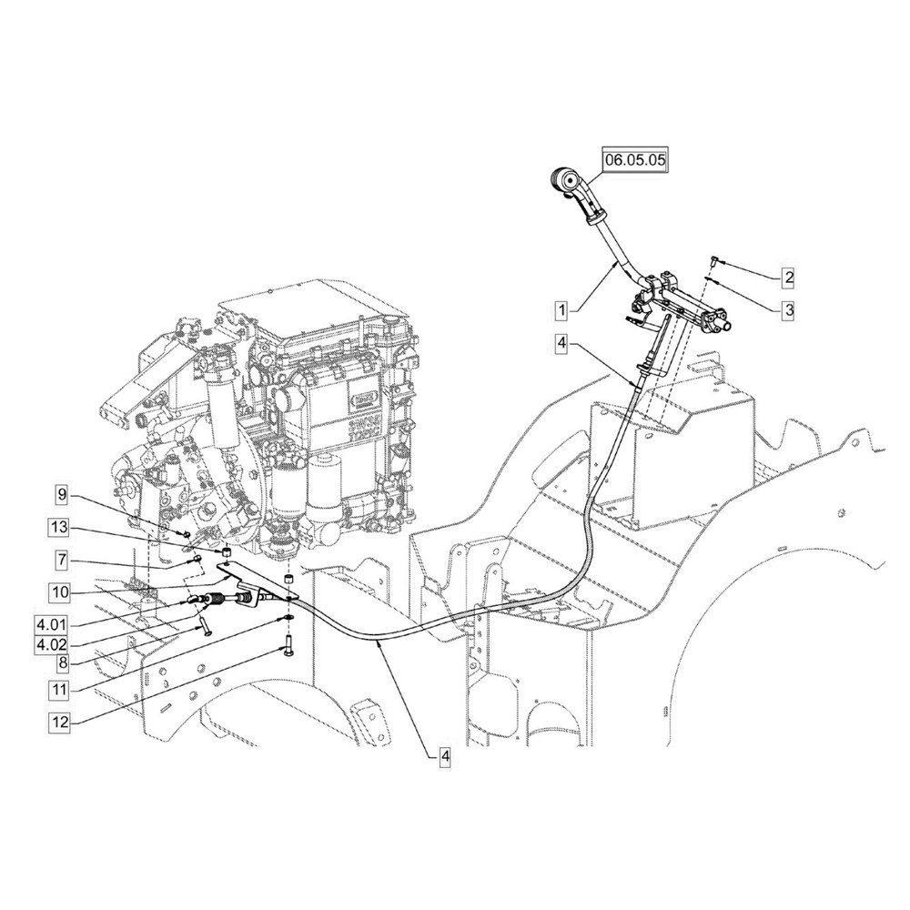
Drive Shifting for the Hamm HD8 - 10C (H170) Compaction Roller includes essential components for efficient operation. This assembly ensures smooth power transfer and optimal performance. Available parts include gears, shafts, and bearings, suitable for both genuine and non-genuine options. Designed to maintain the roller's functionality, these components are crucial for regular maintenance and repair tasks.
Reviews
Add a review
Write Your Own Review
Ask a Question
Customer Questions

