Description
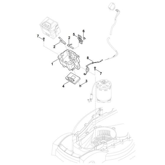
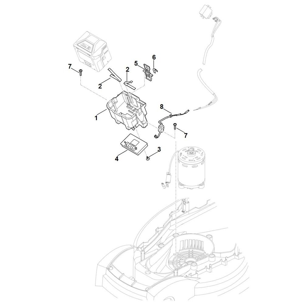
Electric equipment for the Stihl RMA 235.1 Cordless Mower includes essential components to ensure optimal performance and longevity. These genuine Stihl parts are designed to maintain the mower's efficiency and reliability. Options are available for various electrical components, ensuring compatibility and ease of maintenance.
Reviews
Add a review
Write Your Own Review
Ask a Question
Customer Questions

