Description
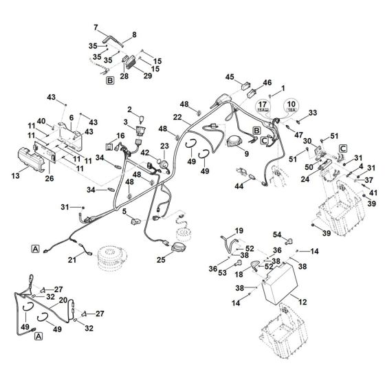
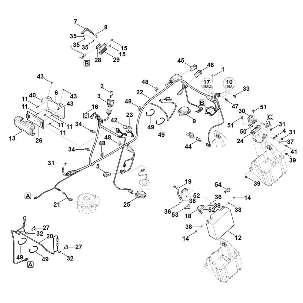
Electric equipment for the Stihl RT 6112.1 ZL Ride on Mower ensures optimal performance and reliability. This includes components essential for the mower's electrical system, such as wiring harnesses, switches, and connectors. These parts are crucial for maintaining the mower's functionality and efficiency, providing a seamless mowing experience. Genuine Stihl parts guarantee compatibility and durability.
Reviews
Add a review
Write Your Own Review
Ask a Question
Customer Questions

