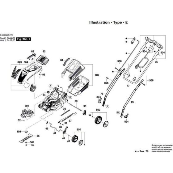
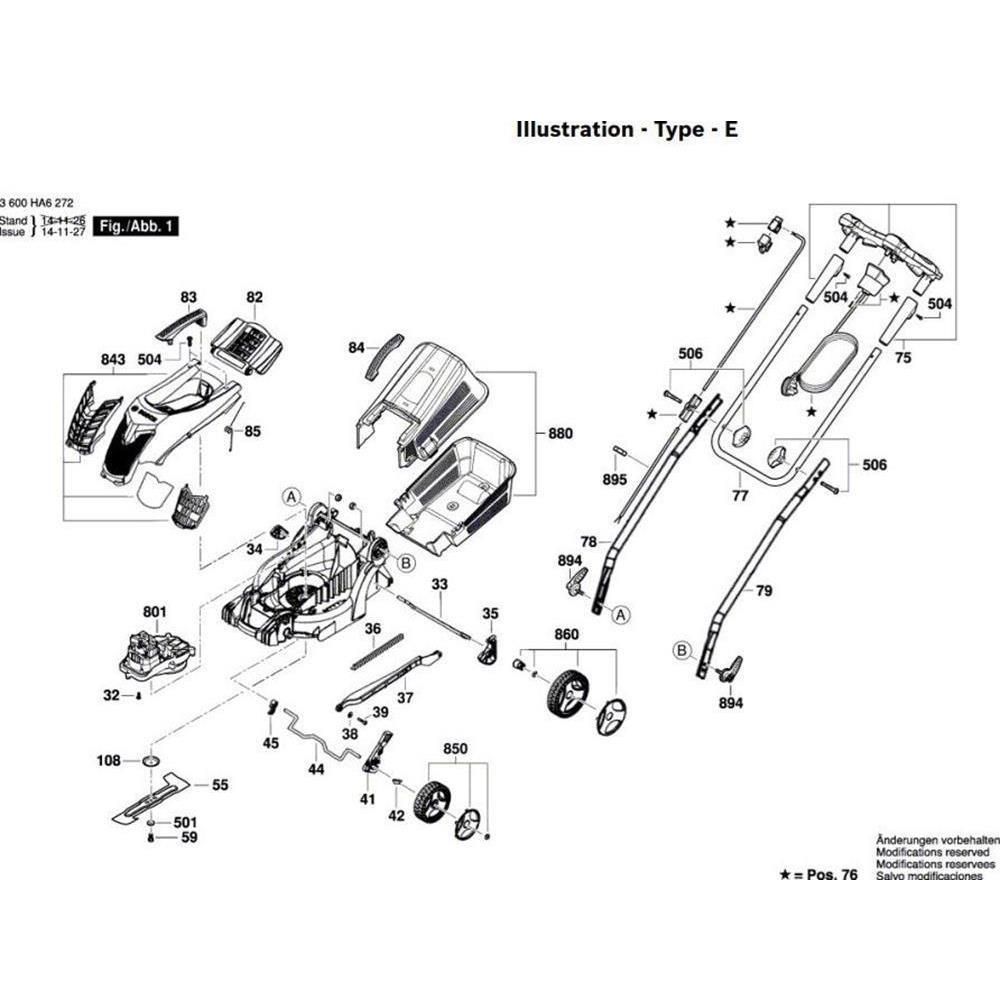
Description
The Electric Lawnmower Assembly for Bosch Rotak 36 R includes genuine Bosch spare parts designed to ensure optimal performance and longevity of your lawnmower. This assembly helps maintain the efficiency of the machine, featuring components such as blades, belts, and switches. Ideal for routine maintenance and repairs, it supports smooth operation and reliable cutting performance.
Reviews
Add a review
Write Your Own Review
Ask a Question
Customer Questions

