Description
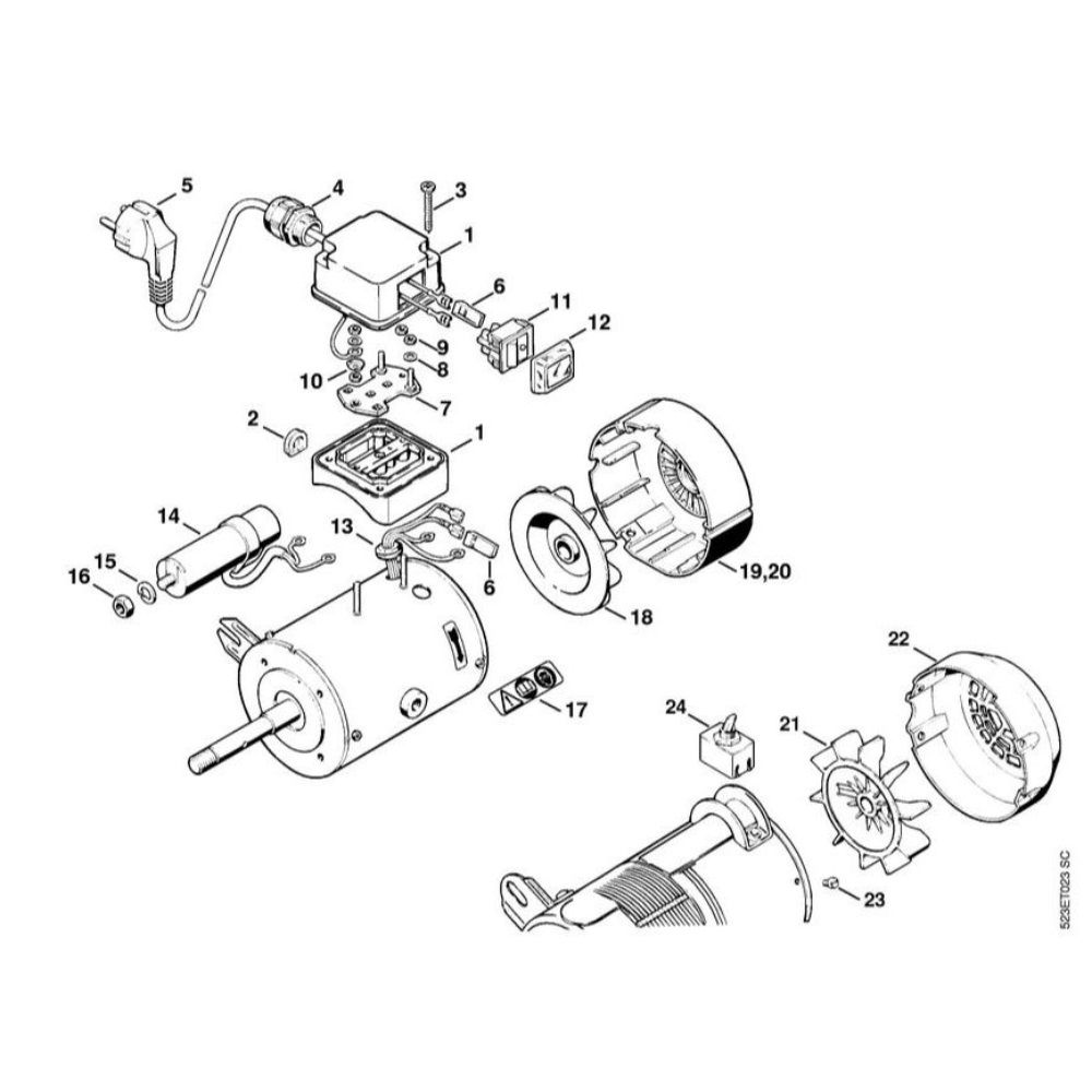
The electric motor 230V/50Hz is designed for the Stihl USG Chain Sharpener, ensuring efficient and reliable sharpening performance. As a genuine Stihl part, it guarantees compatibility and durability, maintaining the sharpener's optimal function. Ideal for professional and home use, it supports precise chain maintenance.
Reviews
Add a review
Write Your Own Review
Ask a Question
Customer Questions

