Description
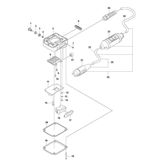
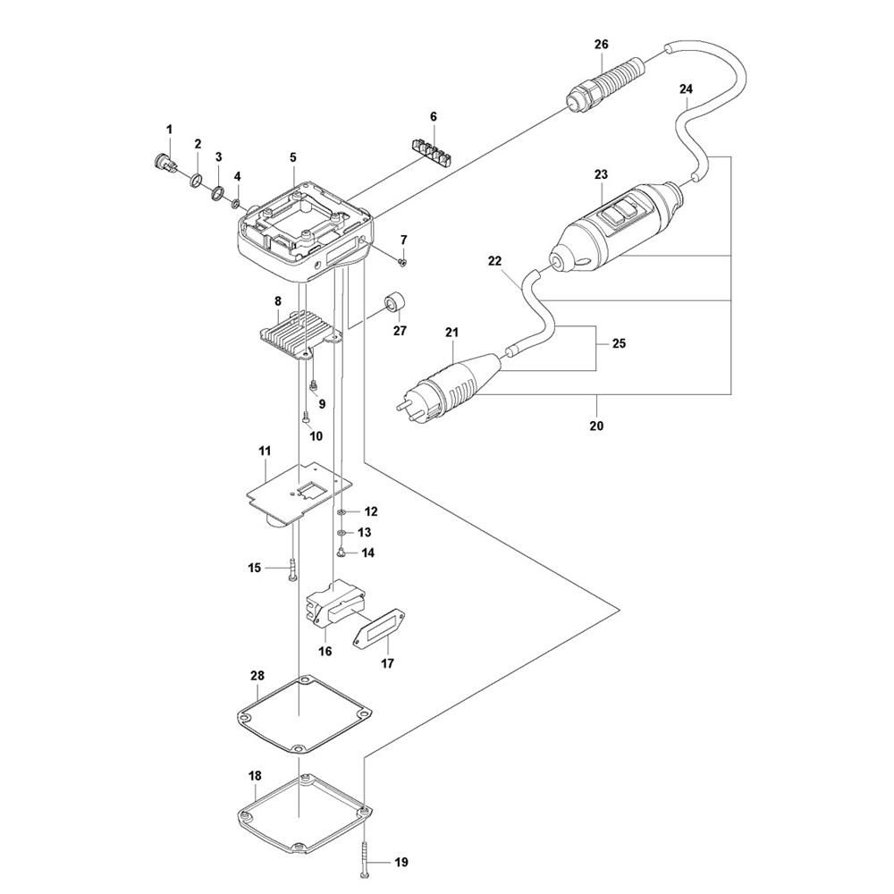
The Electrical Assembly for the Husqvarna DM 400 Core Drill includes essential components to ensure optimal performance and longevity. Designed for efficient power delivery and control, this assembly is crucial for maintaining the drill's functionality. Components may include wiring, connectors, switches, and circuit boards, all tailored to fit the DM 400 model.
Reviews
Add a review
Write Your Own Review
Ask a Question
Customer Questions

