Description
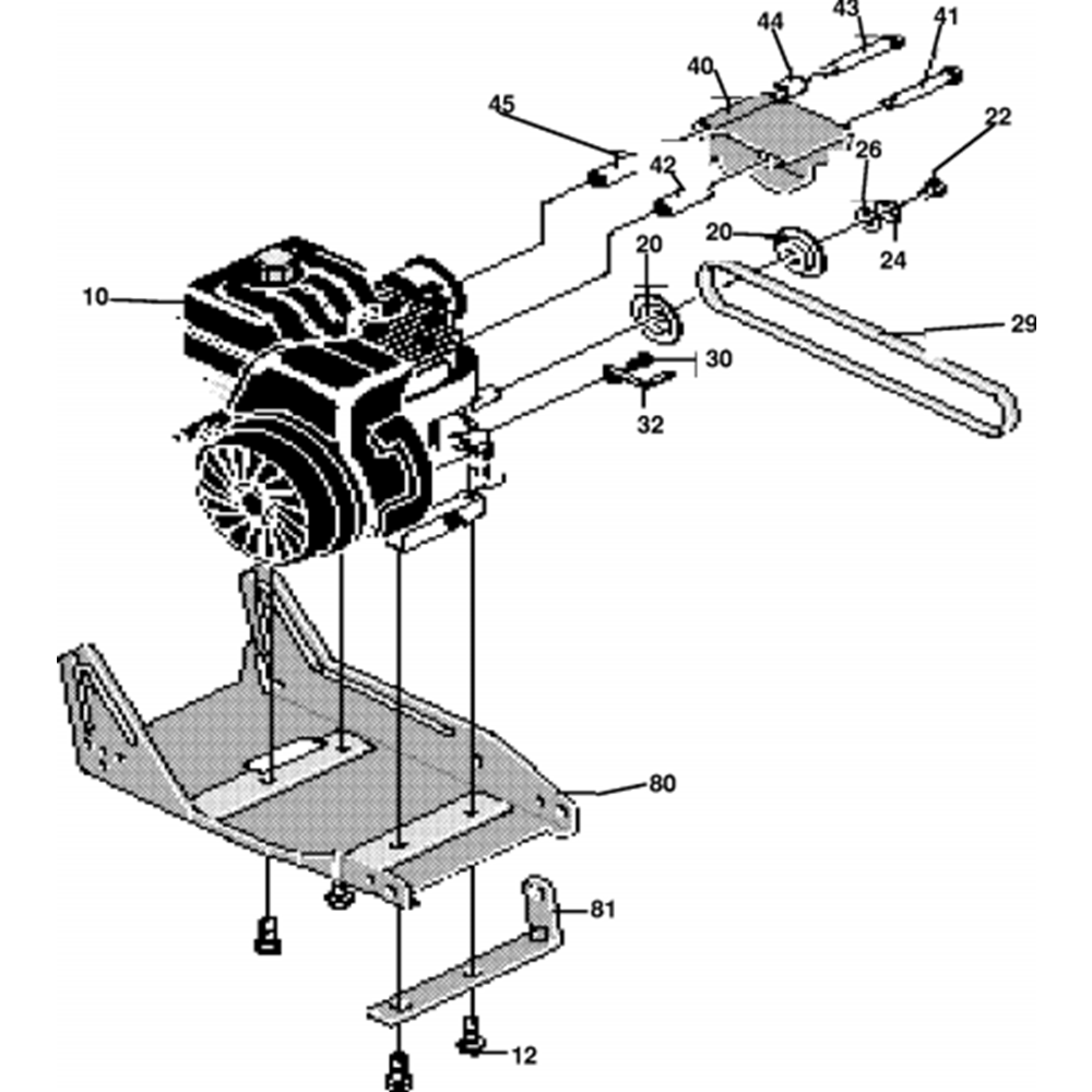
The Engine Assembly for the Husqvarna LE359 Wheeled Edger includes key components to ensure optimal performance and longevity. Designed for efficient operation, it features parts such as gaskets, pistons, and valves. This assembly is crucial for maintaining the edger's cutting precision and reliability. Genuine and non-genuine parts are available to suit different maintenance needs.
Reviews
Add a review
Write Your Own Review
Ask a Question
Customer Questions

