Description
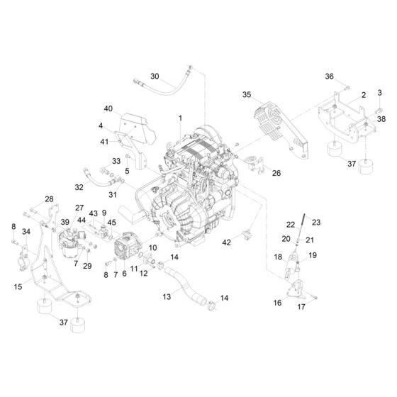
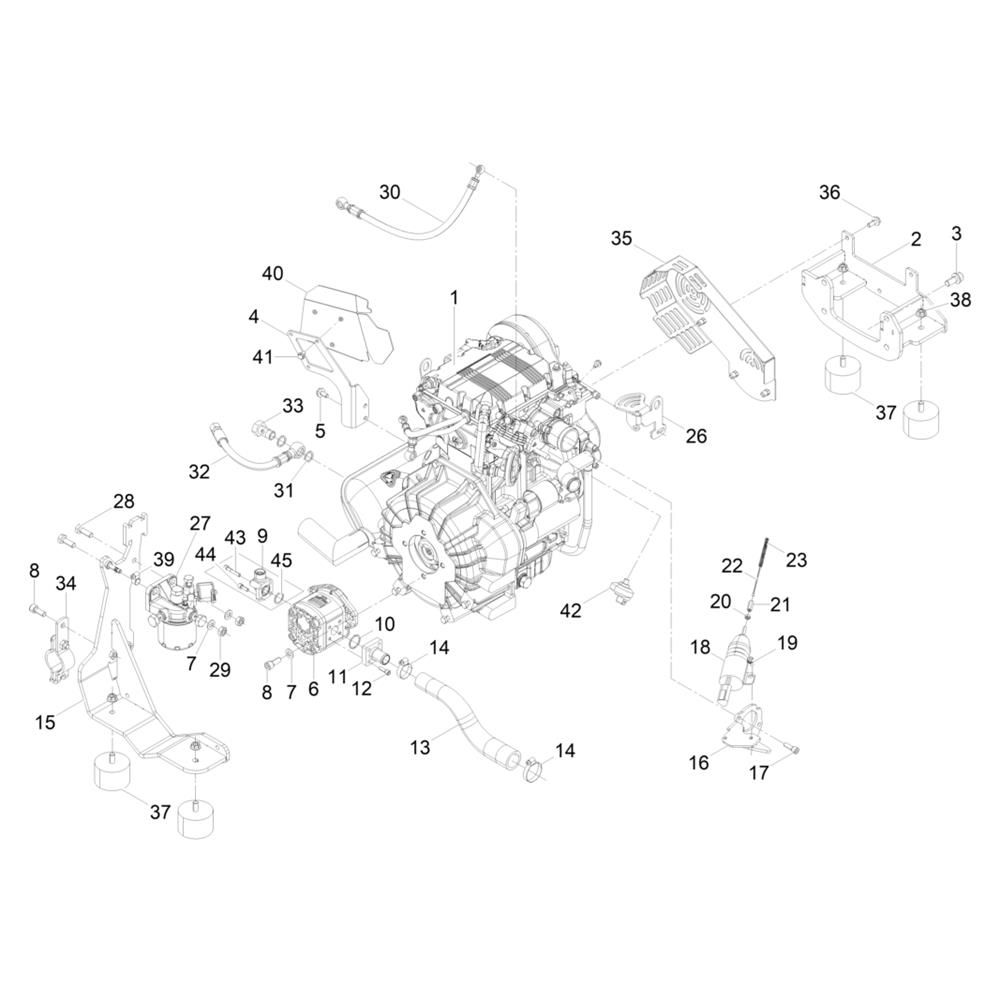
The Engine Assembly for the Wacker DPU80 Plate Compactor includes vital components to ensure optimal performance and longevity. Designed for the Wacker Neuson Reversible Plate Compactor, this assembly helps maintain engine efficiency and reliability. Components such as gaskets, pistons, and valves are available to support routine maintenance and repair needs.
Reviews
Add a review
Write Your Own Review
Ask a Question
Customer Questions

