Description
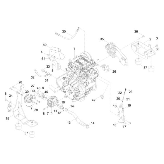
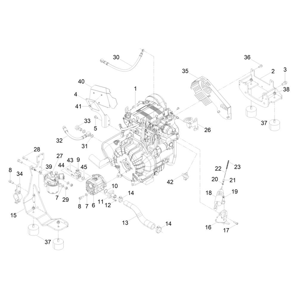
The Engine Assembly for the Wacker DPU90 Plate Compactor includes key components to ensure optimal performance and longevity. This assembly is crucial for maintaining the compactor's efficiency, offering parts such as gaskets, pistons, and valves. Designed for the Wacker Neuson Reversible Plate Compactor, it supports reliable operation in demanding conditions.
Reviews
Add a review
Write Your Own Review
Ask a Question
Customer Questions

