Description
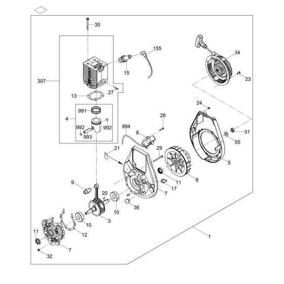
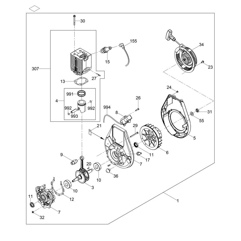
The Engine Assembly for the Wacker MS52 Trench Rammer includes key components to ensure optimal performance and longevity. This assembly is crucial for maintaining the machine's efficiency, providing reliable power and operation. Components such as pistons, gaskets, and seals are included to support the engine's function and durability. Genuine Wacker Neuson parts ensure compatibility and quality.
Reviews
Add a review
Write Your Own Review
Ask a Question
Customer Questions

