Description
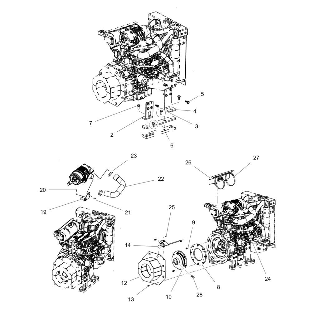
The Engine Assembly for the Wacker PT6YT Pump is designed to ensure optimal performance and longevity. This assembly includes key components such as gaskets, seals, and valves, which are essential for maintaining efficient operation. Regular maintenance using genuine parts helps prevent wear and tear, ensuring the pump operates smoothly under various conditions.
Reviews
Add a review
Write Your Own Review
Ask a Question
Customer Questions

