Description
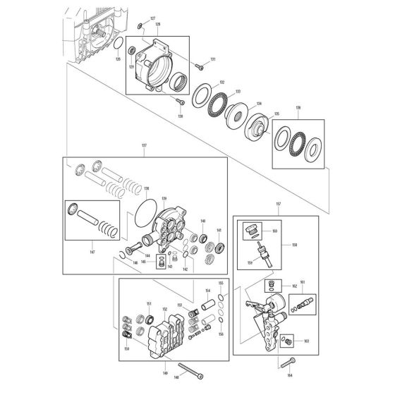
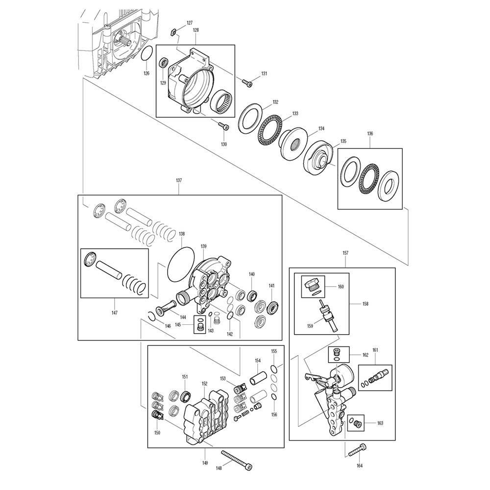
The Engine Block Assembly for the Makita EHW120 Pressure Washer is essential for maintaining optimal performance and longevity. This assembly includes key components such as pistons, gaskets, and seals, ensuring efficient operation and protection against wear. Designed for easy integration, it supports routine maintenance and repair tasks.
Reviews
Add a review
Write Your Own Review
Ask a Question
Customer Questions

