Description
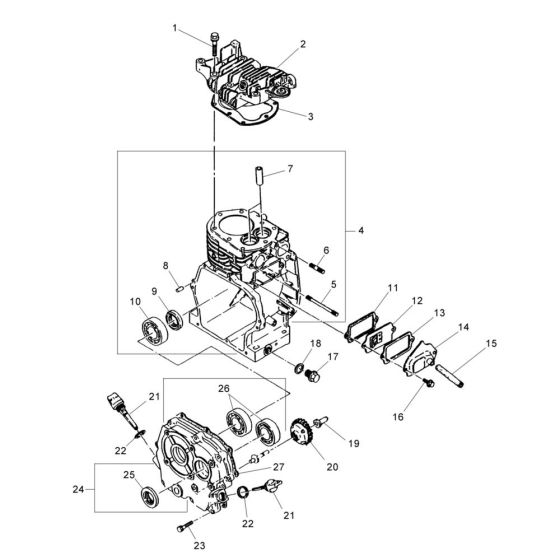
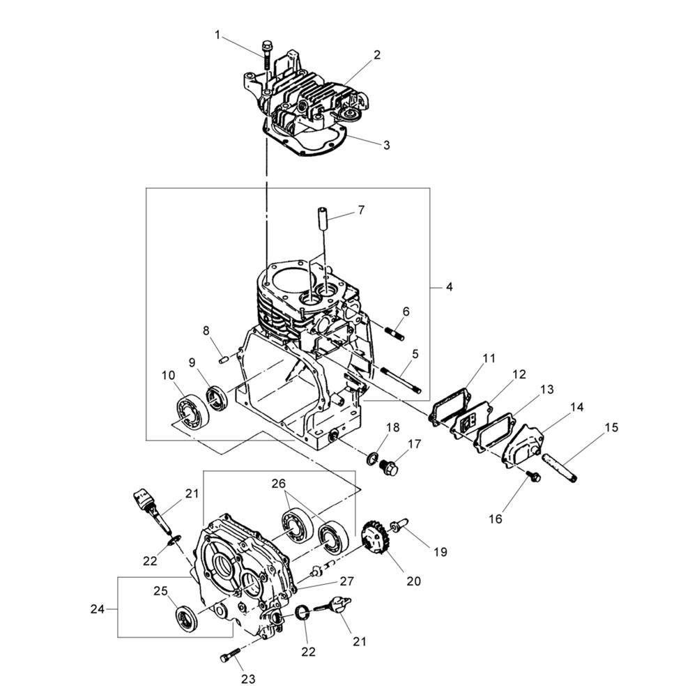
The Engine Block Assembly for the Wacker VP1035R Compactor is essential for maintaining optimal performance. This assembly includes key components such as pistons, gaskets, and seals, ensuring efficient operation and longevity. Designed specifically for the Wacker Neuson Forward Plate Compactor, it helps in reducing wear and tear, providing reliable power for compacting tasks.
Reviews
Add a review
Write Your Own Review
Ask a Question
Customer Questions

