Description
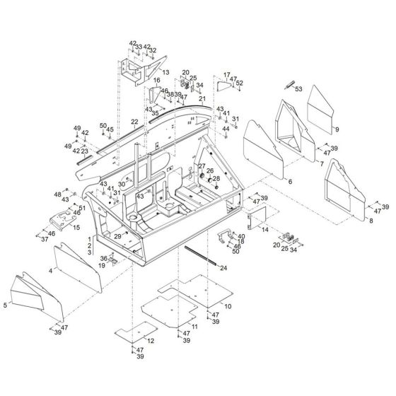
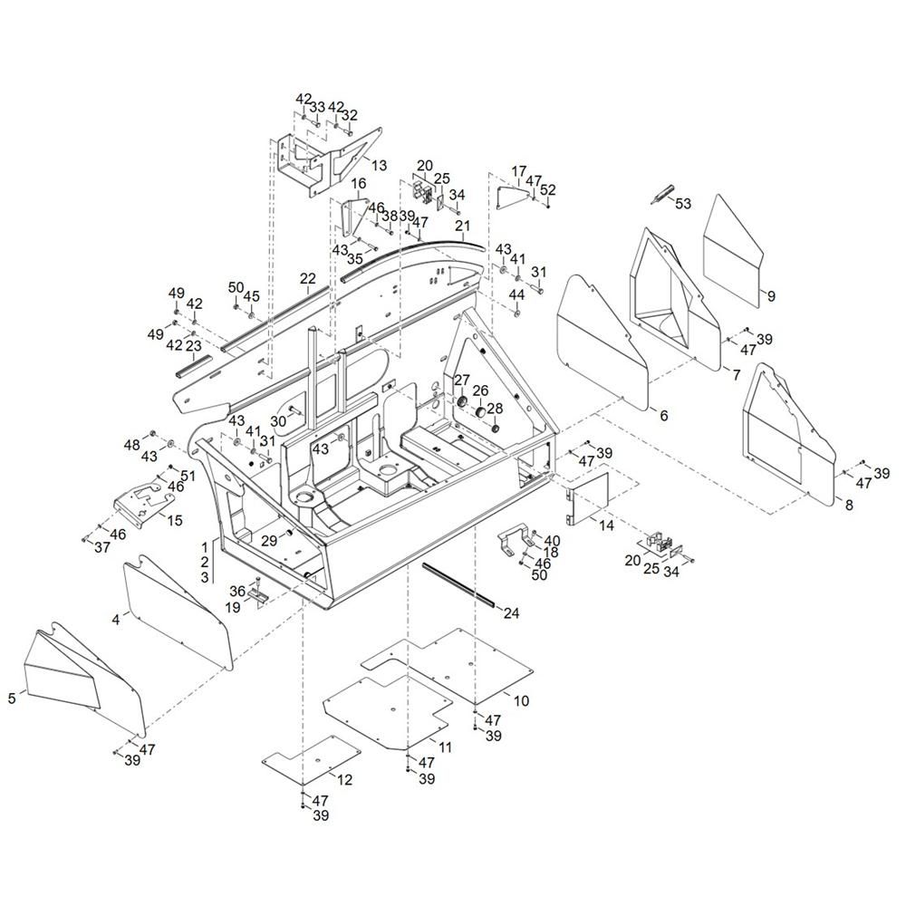
The Engine Box Assembly for the Wacker TH522 Telehandler includes vital components to ensure optimal engine performance and longevity. This assembly is crucial for maintaining the telehandler's efficiency, providing protection and support for the engine. Components may include brackets, mounts, and protective covers, all designed to fit seamlessly with the Wacker Neuson model.
Reviews
Add a review
Write Your Own Review
Ask a Question
Customer Questions

