Description
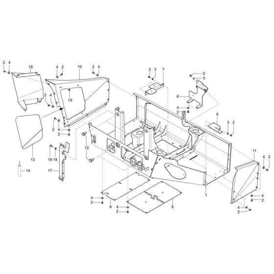
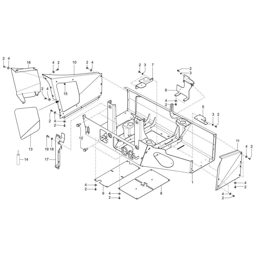
The Engine Box Assembly for the Wacker TH627 Telehandler comprises crucial components that ensure optimal engine performance and longevity. This assembly includes parts such as gaskets, seals, and brackets, designed to fit seamlessly with the Wacker Neuson Telehandler. Regular maintenance using these genuine parts helps in reducing wear and enhancing the machine's efficiency.
Reviews
Add a review
Write Your Own Review
Ask a Question
Customer Questions

